Чтение онлайн

на главную - закладки

Жанры

Транзистор?.. Это очень просто!
Шрифт:

Будьте осторожны с полярностью

Н. — Если я правильно понимаю, то в транзисторных схемах, где резисторы обычно имеют меньшее сопротивление, чем в ламповых схемах, мы часто применяем электролитические конденсаторы. Не возникают ли осложнения из-за размеров этих конденсаторов?

Л. — Конечно, нет, так как размеры конденсаторов, предназначенных для работы при низких напряжениях, невелики, благодаря чему они свободно могут размещаться на монтажной плате карманного приемника… Но при включении электролитических конденсаторов в схему нужно быть осторожным и соблюдать необходимую полярность.

Н. — Я вижу, что ты соединил отрицательный вывод конденсатора с коллектором, который должен иметь потенциал, более отрицательный, чем база. Предполагаю, что в случае применения транзистора типа n-р-n ты поступил бы наоборот.

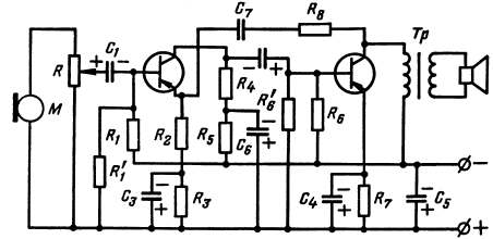
Л. — И ты не ошибся. Чтобы показать тебе полярность электролитических конденсаторов, в различных местах схемы, я предлагаю тебе внимательно рассмотреть схему микрофонного усилителя (рис. 93). Ты видишь, что регулировка громкости здесь осуществляется на входе первого транзистора с помощью потенциометра R.

Рис. 93. Полная принципиальная схема микрофонного усилителя. Из всех конденсаторов только конденсатор С7 не электролитический (его емкость порядка 0,05 мкФ).

Н. — С потенциометра сигнал подается на базу через конденсатор С1, который на этот раз соединен с базой своим отрицательным выводом. У конденсатора связи С2, наоборот, его отрицательный вывод соединен с коллектором (потенциал которого еще более отрицательный, чем у базы), а положительным выводом он обращен к базе… Я констатирую, что оба транзистора снабжены резисторами R3 и R7, предназначенными для температурной стабилизации: блокирующие их конденсаторы С3 и С4, разумеется, соединены своими положительными выводами с… положительным полюсом источника питания. Но для чего служит резистор R5, который ты соединил последовательно с резистором R4 в цепи коллектора первого транзистора? Он, как я вижу, заблокирован электролитическим конденсатором С6, у которого положительный вывод также соединен с положительным полюсом батареи.

Л. — Разве ты не узнаешь в нем своего старого знакомого, часто применяемого в схемах на лампах?..

Н. — Черт возьми! Так это наша старая развязка анодной цепи… Прости, здесь она находится в цепи коллектора. Служит ли она также для предотвращения паразитной связи через общее сопротивление источника питания, способной вызвать самовозбуждение?

Л. — Совершенно верно, внутреннее сопротивление источника питания может создать опасную связь. Поэтому, чтобы предоставить переменным составляющим тока другой путь помимо источника питания, в транзисторных схемах тоже часто применяют развязки. Полезно также подключить к зажимам батареи конденсатор С5 достаточной емкости.

Н. — В этой схеме ты применил еще комбинированную обратную связь, где часть выходного напряжения через резистор R8 и конденсатор С7 поступает на резистор R2, включенный в цепь эмиттера первого транзистора. Это то самое устройство, что мы изучали на рис. 62.

Прямой путь

Л. — Несмотря на позднее время, твоя память, Незнайкин, остается свежей, поэтому я еще расскажу о связи с помощью сопротивлений иного вида. Вместо омического сопротивления в цепь коллектора можно также включать дроссель, больший по габаритам и более дорогой, но зато с малым сопротивлением постоянному току. А чтобы компенсировать твое терпение, я покажу тебе первую схему с непосредственной связью (рис. 94).

Рис. 94. Схема с непосредственной связью. Стрелками обозначено направление электронного тока, создающего на резисторе R1, падение напряжения необходимой полярности.

Как ты видишь, здесь первый транзистор включен по схеме с ОК и его выходной электрод-эмиттер соединен непосредственно с базой второго транзистора, включенного по схеме с ОЭ.

Н. — Я должен признать, что это очень экономичная схема. Но я спрашиваю себя, как можно с такой легкостью выкинуть конденсатор связи?

Л. — В схемах на лампах это можно было бы сделать только ценою больших усложнений, потому что анод должен иметь высокий положительный потенциал, тогда как на сетке следующей лампы должно быть отрицательное смещение.

В транзисторных же схемах все устраивается значительно проще. Разница потенциалов невелика, и потенциалы базы и коллектора должны иметь по отношению к эмиттеру тот же знак, тогда как у ламп сетка должна быть отрицательной, а анод — положительным. Поэтому в схемах на транзисторах можно без труда сообщить каждому электроду необходимый потенциал, создавая соответствующее падение напряжения на подобранных для этого резисторах.

Н. — Я попытаюсь проанализировать твою схему. Стрелками я разметил путь постоянного тока, начиная от отрицательного полюса батареи. Электроны входят в первый транзистор через коллектор и выходят через эмиттер, после чего ток делится на две части. Одна часть электронов проходит через резистор R1, в результате чего вывод этого резистора, соединенный с базой второго транзистора, становится отрицательным по отношению к положительному полюсу источника тока. Другие электроны поступают в базу второго транзистора и идут к его эмиттеру. Это просто-напросто средний ток базы… Действительно, ты прав: в первом транзисторе эмиттер положителен по отношению к коллектору, а во втором — база отрицательна по отношению к эмиттеру. Итак, все в порядке, на этой схеме мы сэкономили один электролитический конденсатор и один резистор.

Л. — Да…, но этим не ограничиваются преимущества непосредственной связи. Вспомни, что конденсатор никогда не передает одинаково все частоты. Даже при большой емкости нельзя передать очень медленные изменения напряжения. Здесь же мы осуществили настоящий усилитель постоянного тока.

Н. — Постой, Любознайкин! Как можно говорить об усилении чего-нибудь постоянного?

Л. — Я признаю, что термин выбран не очень удачно, но так называют усилители, предназначенные для сигналов очень низких частот, у которых период длится несколько секунд. Кроме того, можно усиливать медленно изменяющиеся непериодические напряжения и токи. Именно с такими сигналами мы сталкиваемся в биологии. В таких случаях только усилители постоянного тока и можно применять.

Поделиться:
Популярные книги

Черный Маг Императора 15

Герда Александр
15. Черный маг императора
Фантастика:
юмористическое фэнтези
попаданцы
аниме
сказочная фантастика
фэнтези
фантастика: прочее
5.00
рейтинг книги
Черный Маг Императора 15

Ученик. Книга третья

Первухин Андрей Евгеньевич
3. Ученик
Фантастика:
фэнтези
7.64
рейтинг книги
Ученик. Книга третья

Сирийский рубеж

Дорин Михаил
5. Рубеж
Фантастика:
попаданцы
альтернативная история
5.00
рейтинг книги
Сирийский рубеж

Точка Бифуркации V

Смит Дейлор
5. ТБ
Фантастика:
фэнтези
попаданцы
аниме
5.00
рейтинг книги
Точка Бифуркации V

Ст. сержант. Назад в СССР. Книга 5

Гаусс Максим
5. Второй шанс
Фантастика:
попаданцы
альтернативная история
5.00
рейтинг книги
Ст. сержант. Назад в СССР. Книга 5

Сонный лекарь 4

Голд Джон
4. Не вывожу
Фантастика:
альтернативная история
аниме
5.00
рейтинг книги
Сонный лекарь 4

Господин Хладов

Шелег Дмитрий Витальевич
4. Кровь и лёд
Фантастика:
аниме
5.00
рейтинг книги
Господин Хладов

Моя простая курортная жизнь 7

Блум М.
7. Моя простая курортная жизнь
Фантастика:
дорама
гаремник
5.00
рейтинг книги
Моя простая курортная жизнь 7

Имперец. Том 4

Романов Михаил Яковлевич
3. Имперец
Фантастика:
попаданцы
альтернативная история
аниме
5.00
рейтинг книги
Имперец. Том 4

Лекарь Империи 4

Карелин Сергей Витальевич
4. Лекарь Империи
Фантастика:
городское фэнтези
аниме
попаданцы
5.00
рейтинг книги
Лекарь Империи 4

Неудержимый. Книга XXVII

Боярский Андрей
27. Неудержимый
Фантастика:
фэнтези
попаданцы
5.00
рейтинг книги
Неудержимый. Книга XXVII

Петля, Кадетский Корпус. Книга четвертая

Алексеев Евгений Артемович
4. Петля
Фантастика:
боевая фантастика
попаданцы
аниме
5.00
рейтинг книги
Петля, Кадетский Корпус. Книга четвертая

Локки 7. Потомок бога

Решетов Евгений Валерьевич
7. Локки
Фантастика:
аниме
эпическая фантастика
фэнтези
5.00
рейтинг книги
Локки 7. Потомок бога

Цикл "Отмороженный". Компиляция. Книги 1-14

Гарцевич Евгений Александрович
Отмороженный
Фантастика:
боевая фантастика
рпг
постапокалипсис
5.00
рейтинг книги
Цикл Отмороженный. Компиляция. Книги 1-14