Чтение онлайн

на главную - закладки

Жанры

Транзистор?.. Это очень просто!
Шрифт:

Рис. 104. Поворот фазы с помощью транзистора, включенного по схеме с ОЭ; усиление дополнительного каскада уменьшено до единицы за счет делителя напряжения, состоящего из резисторов R2 и R3 и за счет резистора обратной связи R4.

Н. — Ну и странная же твоя схема!.. Связь между двумя транзисторами имеет здесь совершенно непривычный вид.

Л. — Резисторы R2 и R3, соединенные последовательно с конденсатором связи C1, представляют собой делитель напряжения, который должен передавать на второй транзистор только часть напряжения, создаваемого первым транзистором на резисторе R1. Кроме того, ты видишь, что в цепи эмиттера второго транзистора имеется резистор обратной связи R4.

Н. — Несчастный транзистор! Ты двумя способами снижаешь его усиление.

Л. — Это как раз то, что нужно: для того чтобы оба выходных напряжения были одинаковыми, усиление второго транзистора должно равняться единице, т. е. он не должен ни усиливать, ни ослаблять.

Н. — Значит, его роль строго ограничивается поворотом фазы.

Л. — Действительно, это все, что от него требуется…

Имеется и другой способ получить два противофазных напряжения с помощью только одного транзистора, включая последний по смещенной схеме с ОЭ и ОК с двумя нагрузочными сопротивлениями (рис. 105). Сигнал на выходе 1 находится здесь в противофазе, а сигнал на выходе 2 совпадает по фазе с сигналом на входе.

Рис. 105. Фазоинвертор в схеме с разделенной нагрузкой.

Н. — Но это точное воспроизведение лампового фазоинвертора, в котором сопротивления нагрузки включаются в анодную и катодную цепи.

Л. — Ты узнал эту схему в ее «транзисторном» виде.

Н. — Все показанные тобой схемы для меня старые знакомые, ведь я хорошо помню их ламповые варианты.

Чудесная двухтактная схема

Л. — Однако на лампах нельзя осуществить двухтактную схему без фазоинвертора.

Н. — Мне не верится, что такое чудо можно сделать с транзисторами.

Л. — Тем не менее это факт, а чудо и в этом случае заключается в дополнительной симметрии транзисторов структур р-n-р и n-р-n. Проанализируй внимательно схему, где я изобразил два транзистора, включенных по схеме с ОЭ (рис. 106).

Рис. 106. Двухтактная схема без фазоинвертора, работающая на транзисторах с дополнительной симметрией, включенных по схеме с ОЭ.

Н. — Поступим, как обычно… Допустим, что первый полупериод входного сигнала делает обе базы более отрицательными. В этом случае транзистор структуры р-n-р усилит сигнал, а транзистор структуры n-р-n останется запертым. При следующем полупериоде, который сделает базы более положительными, транзистор р-n-р останется безучастным, а транзистор n-р-n пропустит коллекторный ток. Чудесно! Ловко! Умно!

Л. — Умерь свой энтузиазм, дорогой друг. Эта схема требует применения двух батарей (или но крайней мере батареи со средним выводом), что несколько усложняет положение. С этим же мы сталкиваемся и в аналогичном двухтактном каскаде при включении транзисторов по схеме с ОБ (рис. 107).

Рис. 107. Еще одна двухтактная схема без фазоинвертора, но с включением транзисторов по схеме с ОБ.

Н. — Действительно, эта схема должна работать так же хорошо, как и предшествующая. Здесь транзистор структуры р-n-р реагирует на положительные полупериоды сигнала, приложенного к его эмиттеру, а транзистор структуры n-р-n включается в работу при отрицательных полупериодах. Но я опасаюсь, что эти две батареи не очень удобно применять для питания других транзисторов, которые могут иметься в схеме.

А теперь я хочу просить тебя об одном одолжении. Я хотел бы собрать усилитель на транзисторах для своего портативного радиограммофона. Мог бы ты начертить мне практическую схему его оконечного каскада? Я хочу иметь достаточно мощный двухтактный усилитель.

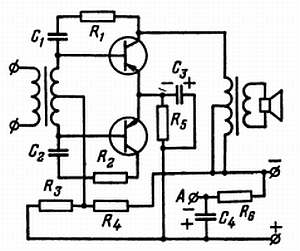
Л. — Вот схема, которую ты просишь, Незнайкин (рис. 108). Достаточно ли она ясна для тебя?

Рис. 108. Практическая схема двухтактного каскада с отрицательной обратной связью и температурной стабилизацией. Резистор R6 и конденсатор С4 образуют развязку цепей питания предшествующих каскадов.

Поделиться:
Популярные книги

Хозяин Теней 4

Петров Максим Николаевич
4. Безбожник
Фантастика:
попаданцы
аниме
фэнтези
5.00
рейтинг книги
Хозяин Теней 4

Советник 2

Шмаков Алексей Семенович
7. Светлая Тьма
Фантастика:
юмористическое фэнтези
городское фэнтези
аниме
сказочная фантастика
фэнтези
5.00
рейтинг книги
Советник 2

Выйду замуж за спасателя

Рам Янка
1. Спасатели
Любовные романы:
современные любовные романы
7.00
рейтинг книги
Выйду замуж за спасателя

Звездная Кровь. Экзарх II

Рокотов Алексей
2. Экзарх
Старинная литература:
прочая старинная литература
5.00
рейтинг книги
Звездная Кровь. Экзарх II

Пушкарь. Пенталогия

Корчевский Юрий Григорьевич
Фантастика:
альтернативная история
8.11
рейтинг книги
Пушкарь. Пенталогия

Командор космического флота

Борчанинов Геннадий
3. Звезды на погонах
Фантастика:
боевая фантастика
космическая фантастика
космоопера
5.00
рейтинг книги
Командор космического флота

Ненужная жена. Хозяйка брошенного сада

Князева Алиса
1. нужные хозяйки
Фантастика:
попаданцы
фэнтези
5.00
рейтинг книги
Ненужная жена. Хозяйка брошенного сада

Неправильный лекарь. Том 4

Измайлов Сергей
4. Неправильный лекарь
Фантастика:
городское фэнтези
попаданцы
альтернативная история
аниме
5.00
рейтинг книги
Неправильный лекарь. Том 4

На границе империй. Том 10. Часть 5

INDIGO
23. Фортуна дама переменчивая
Фантастика:
космическая фантастика
попаданцы
5.00
рейтинг книги
На границе империй. Том 10. Часть 5

Вперед в прошлое!

Ратманов Денис
1. Вперед в прошлое
Фантастика:
попаданцы
5.00
рейтинг книги
Вперед в прошлое!

Глэрд IX: Легионы во Тьме

Владимиров Денис
9. Глэрд
Фантастика:
боевая фантастика
попаданцы
фэнтези
5.00
рейтинг книги
Глэрд IX: Легионы во Тьме

Возмутитель спокойствия

Владимиров Денис
1. Глэрд
Фантастика:
фэнтези
боевая фантастика
попаданцы
5.00
рейтинг книги
Возмутитель спокойствия

Ярар. Начало

Грехов Тимофей
1. Ярар
Фантастика:
фэнтези
попаданцы
5.00
рейтинг книги
Ярар. Начало

Я - злодейка в дораме. Сезон второй

Вострова Екатерина
2. Выжить в дораме
Фантастика:
уся
фэнтези
сянься
попаданцы
5.00
рейтинг книги
Я - злодейка в дораме. Сезон второй