Чтение онлайн

на главную - закладки

Жанры

Транзистор?.. Это очень просто!
Шрифт:

Л. — Браво, Незнайкин! Твоя прекрасная память совершенно не пострадала от гриппа.

Н. — Рассматривая твою схему, я спрашиваю себя, как ты будешь регулировать громкость звука?

Л. — Здесь я не предусмотрел регулирования усиления. Его можно было бы осуществить с помощью регулируемой отрицательной обратной связи. Но я считаю такой метод нежелательным. Прежде всего, он не позволяет снизить усилие до нудя, чтобы достигнуть полной тишины. А кроме того, одновременно с изменением громкости звука изменяется коэффициент искажений, причем он достигает максимума именно при наибольшей громкости звучания.

Н. — То есть тогда, когда искажения наиболее сложно устранить. Что же ты предлагаешь в этом случае?

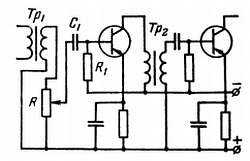
Л. — В качестве регулятора громкости можно применять потенциометр R (рис. 89), чтобы по желанию снимать большую или меньшую часть напряжения, появляющегося на вторичной обмотке первого трансформатора. Ползунок этого потенциометра через конденсатор связи C1 соединен с базой первого транзистора. В новой схеме конденсатор применен и для связи между обоими транзисторами.

Рис. 89. Смешанная связь с помощью трансформатора, резистора и конденсатора. Потенциометр R служит для регулирования усиления (громкости).

Н. — Твой второй усилитель напоминает мне кентавра (мифическое существо у древних греков — получеловек-полулошадь), схемы его связи состоят наполовину из трансформаторов, наполовину из резисторов и конденсаторов.

Л. — Признаю, что в этой схеме мы теряем простоту «чистой» схемы на трансформаторах. Может быть, тебя больше удовлетворит логически вытекающая из нее схема со связью на автотрансформаторе (рис. 90), который обычно бывает понижающим, чтобы согласовать высокое выходное сопротивление предшествующего транзистора с меньшим входным сопротивлением следующего транзистора, полагая, что оба транзистора используются по схеме с ОЭ.

Рис. 90. Схема автотрансформаторной связи.

Н. — Это опять наполовину рыба, наполовину мясо.

Схема, состоящая только из резисторов и конденсаторов

Л. — Если смешанные схемы вызывают у тебя отвращение, то перейдем к усилителю на резисторах и конденсаторах, схема которого показана ниже на рисунке (рис. 91).

Рис. 91. Схема резистивно-емкостной связи.

Н. — Но она как две капли воды похожа на ламповую схему с резистивно-емкостной связью! Сопротивление резистора в цени коллектора R1, соответствует сопротивлению в анодной цепи, а сопротивления резисторов R2 и R3, определяющие потенциал базы, — младшие братья сопротивления утечки сетки. Что же касается конденсатора С, то меня удивляет, что он электролитического типа. Не лучше ли здесь применить хороший бумажный конденсатор на каких-нибудь 0,05 мкФ, который прекрасно справляется со своей задачей в ламповых усилителях?

Л. — Для нашего случая это было бы катастрофой. В ламповых схемах конденсатор С соединяется с резистором утечки сетки, сопротивление которого обычно составляет 0,5 МОм. В транзисторной же схеме суммарное сопротивление параллельно соединенных резисторов R2 и R3 равно примерно 1000 Ом, и, кроме того, они зашунтированы сопротивлением Rвх второго транзистора. Этого сопротивления фактически не существует, но тем не менее оно присутствует и имеет тот же порядок, что и совокупность сопротивлений резисторов R2 и R3, скажем, 1000 Ом.

Н. — А вместе все они имеют общее сопротивление 500 Ом, но я не вижу…

Л. — Минуту терпения! Мы можем нарисовать нашу схему несколько иначе (рис. 92).

Рис. 92. Та же схема, что и на рис. 91, но изображенная так, чтобы нагляднее показать делитель напряжения, состоящий из конденсатора связи С и параллельно соединенных резисторов R2, R3 и Rвх.

Из рисунка видно, что конденсатор С вместе с резисторами R2, R3 и сопротивлением Rвх образует делитель для выходного напряжения U предшествующего транзистора. Каково же его емкостное сопротивление?

Н. — Оно зависит от частоты тока и уменьшается при повышении этой частоты.

Л. — Разумеется, и если ты возьмешь конденсатор на 0,05 мкФ, которым ты так гордишься, и включишь его в цепь тока частотой 50 Гц, то емкостное сопротивление этого конденсатора С составит около 64 000 Ом, т. е. будет примерно в 130 раз больше параллельно соединенных сопротивлений R2, R3 и Rвх.

Н. — Какое бедствие! Ведь напряжения U1 и U2 делятся пропорционально сопротивлениям, следовательно, U2 составит лишь 1/130 часть напряжения U и мы передадим на второй транзистор лишь эту ничтожную частицу[18].

Л. — Вот почему для предотвращения этого глупого разбазаривания энергии полезного сигнала нужно применять конденсатор большой емкости, например электролитический конденсатор емкостью 10 мкФ, который, обладая на частоте 50 Гц сопротивлением всего лишь около 300 Ом, позволяет передать больше половины напряжения. На более высоких частотах емкостное сопротивление конденсатора будет еще меньше и результат будет еще лучше. Но недостаточное емкостное сопротивление вызвало бы нежелательное ослабление низких тонов.

Поделиться:
Популярные книги

Черный Маг Императора 15

Герда Александр
15. Черный маг императора
Фантастика:
юмористическое фэнтези
попаданцы
аниме
сказочная фантастика
фэнтези
фантастика: прочее
5.00
рейтинг книги
Черный Маг Императора 15

Ученик. Книга третья

Первухин Андрей Евгеньевич
3. Ученик
Фантастика:
фэнтези
7.64
рейтинг книги
Ученик. Книга третья

Сирийский рубеж

Дорин Михаил
5. Рубеж
Фантастика:
попаданцы
альтернативная история
5.00
рейтинг книги
Сирийский рубеж

Точка Бифуркации V

Смит Дейлор
5. ТБ
Фантастика:
фэнтези
попаданцы
аниме
5.00
рейтинг книги
Точка Бифуркации V

Ст. сержант. Назад в СССР. Книга 5

Гаусс Максим
5. Второй шанс
Фантастика:
попаданцы
альтернативная история
5.00
рейтинг книги
Ст. сержант. Назад в СССР. Книга 5

Сонный лекарь 4

Голд Джон
4. Не вывожу
Фантастика:
альтернативная история
аниме
5.00
рейтинг книги
Сонный лекарь 4

Господин Хладов

Шелег Дмитрий Витальевич
4. Кровь и лёд
Фантастика:
аниме
5.00
рейтинг книги
Господин Хладов

Моя простая курортная жизнь 7

Блум М.
7. Моя простая курортная жизнь
Фантастика:
дорама
гаремник
5.00
рейтинг книги
Моя простая курортная жизнь 7

Имперец. Том 4

Романов Михаил Яковлевич
3. Имперец
Фантастика:
попаданцы
альтернативная история
аниме
5.00
рейтинг книги
Имперец. Том 4

Лекарь Империи 4

Карелин Сергей Витальевич
4. Лекарь Империи
Фантастика:
городское фэнтези
аниме
попаданцы
5.00
рейтинг книги
Лекарь Империи 4

Неудержимый. Книга XXVII

Боярский Андрей
27. Неудержимый
Фантастика:
фэнтези
попаданцы
5.00
рейтинг книги
Неудержимый. Книга XXVII

Петля, Кадетский Корпус. Книга четвертая

Алексеев Евгений Артемович
4. Петля
Фантастика:
боевая фантастика
попаданцы
аниме
5.00
рейтинг книги
Петля, Кадетский Корпус. Книга четвертая

Локки 7. Потомок бога

Решетов Евгений Валерьевич
7. Локки
Фантастика:
аниме
эпическая фантастика
фэнтези
5.00
рейтинг книги
Локки 7. Потомок бога

Цикл "Отмороженный". Компиляция. Книги 1-14

Гарцевич Евгений Александрович
Отмороженный
Фантастика:
боевая фантастика
рпг
постапокалипсис
5.00
рейтинг книги
Цикл Отмороженный. Компиляция. Книги 1-14