Чтение онлайн

на главную - закладки

Жанры

Шрифт:

20 марта 1945 г. на заседании отделения физико-мате­матических наук АН СССР Г. Г. Леммлейн рассказал о своем открытии. Говорил о том, что поверхность реально­го кристалла, кажущаяся гладкой, зеркальной, велико­лепно отражающая свет, в действительности имеет очень тонкий рельеф. Благодаря росинкам можно сделать ви­димыми в оптическом микроскопе ступеньки, высота ко­торых в 10 раз меньше длины волны видимого света. В пересчете на межатомные расстояния это около 10 атомных ступенек!

 

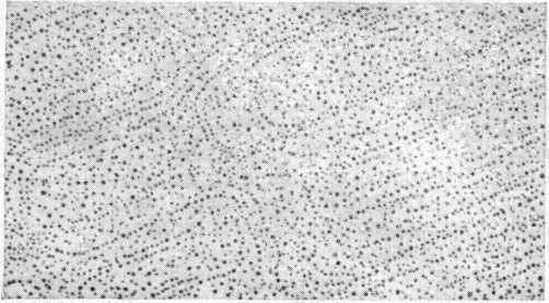
Фотография одного и того же места поверхности кристалла. Справа — до декорирования, слева — после декорирования водяными каплями

Декорирование поверхности монокристалла поваренной соли твердыми капель­ками золота. Фотография получена в электронном микроскопе при увеличении в 40 000 раз

«Метод росы» — великолепная находка естествоиспы­тателя. Беда только, что роса быстро испаряется и кар­тина декорирования деталей структуры поверхности ис­чезает. Появилась мысль осаждать на поверхность кри­сталла росу не водяную, а из другого вещества, которое испаряется медленнее. А можно поступить иначе: оса­ждать росинки из вещества, которое закристаллизуется, и детали рельефа будут декорированы не жидкими, а твердыми, застывшими капельками. Вещество было найдено — хлористый аммоний. «Метод росы» превратил­ся в «метод инея» — надежный способ обнаружения и ис­следования тонкого рельефа поверхности.

А потом, как это часто бывает в истории науки, идея на­чала жизнь, не зависящую от автора. В разных лаборато­риях изыскивали вещества, с помощью которых можно декорировать детали поверхностного рельефа на различ­ных кристаллах. Например, поверхность каменной соли можно декорировать парами золота, другие кристаллы парами висмута, сурьмы, иных веществ. Таким обра­зом научились обнаруживать неоднородности поверх­ности, как принято говорить, «на атомном уровне».

В тот же день Леммлейн сделал еще одно открытие: рассматривая кристаллы карборунда, покрытые капель­ками росы, он заметил, что на некоторых участках поверх­ности росинки располагаются в форме спиралей. Это не случайные структуры — капельные спирали свидетель­ствуют об особом механизме роста кристаллов карборун­да. Теперь этот механизм подробно изучен и получил на­звание механизма слоисто-спирального роста.

Засада на росу

Эта засада не преследовала никаких агрессивных целей: ни пленять, ни тем более убивать росу мы не собирались — просто хотели проследить за тем, как на рассвете появля­ются росинки на листьях и паутине и как они исчезают с восходом солнца. Следили и за теми росинками, которые выпадают после дождя, когда воздух влажный и теплый. И вооружение у нас было самое мирное: кинокамера, фо­токамера и лампа со вспышкой. А наши трофеи — отсня­тые пленки и свежие наблюдения из числа тех, которые лишенная эмоций оптика не регистрирует.

Вначале немного сведений о росе, заимствованных из школьного учебника. В окружающем нас воздухе всегда имеется некоторое количество влаги. Есть, однако, пре­дел ее содержанию, и если почему-либо в воздухе влаги оказалось больше этого предельного количества, она начнет выпадать, оседая на различных предметах отдель­ными каплями. Чем выше температура воздуха, тем большее количество влаги может в нем находиться, не выпадая в росу. Если же воздух, содержащий определенное ко­личество влаги, охладить, при некоторой температуре имеющийся в нем запас влаги ста­нет предельным и появится роса. Этот процесс подобен тому, что происходит в стака­не воды с растворенной в ней солью. Охлаждая воду, мы увидим, что при некоторой температуре на дне стакана начнут появляться кристал­лики соли — подобие росы.

 

Так с восходом солнца исчезает роса на траве

 

А так — на паутине

Любопытное наблюдение. Когда солнце, согревая воз­дух, начинает высушивать росу на траве, создается впе­чатление, будто росинки ста­новятся крупнее. В какой-то мере это только впечатление, потому что раньше других испаряются мелкие капли, а оставшиеся крупные росинки способствуют впечатле­нию, будто средний размер увеличился. А в какой-то мере увеличение росинок дей­ствительно происходит, во всяком случае может проис­ходить, поскольку избыточ­ная упругость пара вблизи изогнутой поверхности роси­нок ( Р ) и радиус кривизны их поверхности связаны со­отношением Р 1/ R , то вблизи крупных росинок Р меньше, чем вблизи мелких. И поэтому может происхо­дить перенос влаги от мел­ких росинок к крупным. Именно об этом было под­робно рассказано в очерке «Капля пустоты» на примере реальных капель и на при­мере пор.

Дождевые росинки обычно крупнее тех, которые возни­кают на рассвете. Капли па­дающего дождя редко задер­живаются на паутине: иногда они ее рвут, а иногда, задер­жавшись на мгновение, про­должают свой полет на зем­лю, и лишь капли морося­щего дождя оседают на ее нитях. А когда дождь прошел и воздух в избытке напитан влагой, на паутине появ­ляется обильная роса: осевшие из влажного воздуха ро­синки располагаются вдоль нитей паутины, изгибая их. Самые крупные капли оседают на переплетениях нитей — в узлах паутины. Они и живут дольше других, когда со временем росинки, испаряясь, исчезают с паутины.

Две подборки фотографий, которыми иллюстрируется очерк, небольшая часть наших трофеев.

Росинка в солнечном луче

После лекции о капле, которую я как-то читал юношеской аудитории, ко мне подошел один из слушателей и подарил фотографию. На фотографии была запечатлена росинка на листике травы. Отчетливо видны два ярких пятнышка— блика, создающие впечатление, будто росинку пронзил солнечный луч, сверкающий на входе и выходе из нее.

— Возьмите,— сказал он,— снимок сделан ранним ут­ром, когда солнце только появляется. Много раз я наблю­дал, как росинки, осевшие на траве, прокалываются наск­возь солнечным лучом. Решил сфотографировать, и будто бы удалось. Странно только, что на входе луча пятнышко менее яркое, чем на выходе.

Он отдал мне фотографию и, немного смущаясь, доба­вил:

Мне показалось, что травинка с каплей распрямляется по мере того, как восходит солнце. Такое впечатление, будто солнечный луч поднимает каплю и травинке стано­вится легче.

Через некоторое время после этой случайной встречи я постарался разобраться в том, что снято на подаренной мне фотографии. Для этого в лаборатории поставили контрольные опыты, о которых я и расскажу в этом очер­ке, посвященном росинке в солнечном луче.

Вначале четкое утверждение: два блика, видимые па поверхности капли, конечно же, не соответствуют местам входа и выхода какого-то луча, которого вообще нет, так как солнце посылает пучок света, падающий на всю об­ращенную к нему поверхность капли. Блики появляются совсем по другой причине.

Поделиться:
Популярные книги

Древесный маг Орловского княжества 3

Павлов Игорь Васильевич
3. Орловское княжество
Фантастика:
аниме
сказочная фантастика
фэнтези
попаданцы
гаремник
5.00
рейтинг книги
Древесный маг Орловского княжества 3

Последний Паладин

Саваровский Роман
1. Путь Паладина
Фантастика:
фэнтези
попаданцы
аниме
5.00
рейтинг книги
Последний Паладин

Мастер 9

Чащин Валерий
9. Мастер
Фантастика:
боевая фантастика
попаданцы
технофэнтези
аниме
фэнтези
5.00
рейтинг книги
Мастер 9

Вечный. Книга V

Рокотов Алексей
5. Вечный
Фантастика:
боевая фантастика
попаданцы
рпг
5.00
рейтинг книги
Вечный. Книга V

Кадет Морозов

Шелег Дмитрий Витальевич
4. Живой лёд
Фантастика:
боевая фантастика
5.72
рейтинг книги
Кадет Морозов

Отряд

Валериев Игорь
5. Ермак
Фантастика:
альтернативная история
5.25
рейтинг книги
Отряд

Московское золото и нежная попа комсомолки. Часть Пятая

Хренов Алексей
5. Летчик Леха
Фантастика:
попаданцы
5.00
рейтинг книги
Московское золото и нежная попа комсомолки. Часть Пятая

Гримуар темного лорда III

Грехов Тимофей
3. Гримуар темного лорда
Фантастика:
фэнтези
попаданцы
аниме
5.00
рейтинг книги
Гримуар темного лорда III

Бастард Императора. Том 16

Орлов Андрей Юрьевич
16. Бастард Императора
Фантастика:
аниме
фэнтези
фантастика: прочее
5.00
рейтинг книги
Бастард Императора. Том 16

Имя нам Легион. Том 9

Дорничев Дмитрий
9. Меж двух миров
Фантастика:
боевая фантастика
рпг
аниме
5.00
рейтинг книги
Имя нам Легион. Том 9

Дважды одаренный. Том IV

Тарс Элиан
4. Дважды одаренный
Фантастика:
городское фэнтези
альтернативная история
аниме
7.00
рейтинг книги
Дважды одаренный. Том IV

Воевода

Ланцов Михаил Алексеевич
5. Помещик
Фантастика:
альтернативная история
5.00
рейтинг книги
Воевода

Лекарь Империи 7

Карелин Сергей Витальевич
7. Лекарь Империи
Фантастика:
городское фэнтези
аниме
боевая фантастика
попаданцы
5.00
рейтинг книги
Лекарь Империи 7

Газлайтер. Том 26

Володин Григорий Григорьевич
26. История Телепата
Фантастика:
боевая фантастика
попаданцы
аниме
5.00
рейтинг книги
Газлайтер. Том 26