Чтение онлайн

на главную - закладки

Жанры

Шрифт:

Задний топливный бак располагался между кабинами пилота и стрелка и крепился с помощью двух металлических лент.

Слева: задний топливный бак емкостью 305 литров, извлеченный из своего отсека. Бак покрыт защитным материалом черного цвета.

Бронированная перегородка из двух 12-мм пластин, защищавшая бензобак сзади. На верхней пластине виден лючок, через который осуществлялась заправка. Также на фотографии виден узел крепления фиксатора фонаря стрелка в открытом положении.

Вид сверху на неподвижную центральную часть фонаря кабины. Перед мачтой антенны виден люк для доступа к заправочной горловине.

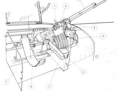
Задняя кабина с турелью ВУБ-3: 1 – прицел КН-Т, 2 – рукоятка перезарядки, 3 – пулемет УБТ, 4 – кронштейн пулемета, 5 – полукруглая направляющая, 6 – патронный ящик, 7 – бронеплита, М – сиденье стрелка.

Детальный снимок хвостовой стрелковой установки.

Правая стойка шасси: 1 – обтекатель, 2 – створка, 3 – поперечная связь, 4 – буксировочное ушко, 5 – амортизационная стойка, 6 – складывающийся подкос, 7- цилиндр фиксатора, (V – цилиндр уборки/выпуска шасси, 9 – рычаг управления створками.

Детальные снимки левой стойки шасси. Положение цилиндра фиксатора одинаково ни обеих стойках.

Внешняя боковая стенка правой пиши шасси с узлом крепления шасси. Виден рычаг управления створкой и съемная панель на верхней стенке.

Снятая створка ниши шасси. Хорошо видна внутренняя поверхность, рояльная петля и место крепления рычага. На стойке шасси ни заднем плане видна буксировочная, петля, трубка тормозной системы и чехол на амортизаторе.

< image l:href="#"/>

Правая пиша шасси, вид по полету. Конструкция является зеркальным отражением левой пиши. Видна тяга механического индикатора положения шасси.

Нишу шасси замыкал задний лонжерон крыла. На снимке левой ниши виден цилиндр уборки/выпуска шасси.

Общий вид хвостовой части фюзеляжи и хвостового оперения. Цельнодеревянный киль был выполнен заодно с фюзеляжем и имел тканевую обшивку на клею. Руль направления с металлическим каркасом и полотняной обшивкой, сверху установлен весовой балансир. Серийный номер наносился мелким шрифтом (обычно черного цвета) на киль и руль направления.

Стабилизатор имел металлические каркас и обшивку, в то время как обшивка руля высоты была полотняной. Руль крепился на двух узлах подвески и был оснащен триммером.

Триммер руля направления и его тяги управления (только с левого борта).

Неубирающаяся хвостовая опора шасси, крепившаяся к 15 шпангоуту фюзеляжа. Обтекатель стойки снят.

Детальный снимок хвостовой опоры с хорошо видимыми подкосами и установленным сверху амортизатором.

Хвостовая опора: 1 – подкос, 2 – стойка, 3 – механизм поворота, 4 – вилка, 5 – хвостовое колесо, 6 – пиша.

Слегка наклоненная назад манта радиостанции РСИ была установлена на центральной неподвижной секции фонаря кабины.

Узел крепления антенны к килю и весовой компенсатор руля направления.

Ввод антенны на верхней поверхности фюзеляжа.

Посадочная фара в передней кромке левого крыла.

Указатель положения щитков с левой стороны центроплана.

Трубка Пито на правом крыле.

Взаимное положение АНО на крыле.

Детальная фотография АНО на верхней поверхности крыла.

Хвостовой конус и АНО.

Ил-2 Тип 3 «13», 1-й эскадрильи 3-го штурмового авиаполка 1-й сметанной чехословацкой авиадивизии в СССР, аэродром Пореба, Польши, апрель 1945 года. Самолет окрашен в темно-зеленый, темносерый и светло-коричневый цвета на верхних поверхностях, согласно схеме № 2, и светлый серо- голубой цвет – на нижних. Бортовой номер «13» на киле. Советские звезды на борту фюзеляжа, вертикальном оперении и нижней поверхности крыла. Идентификационными знаками подразделения были окрашенные в красный цвет триммеры.

И л-2 КР «482» ВВС КА, 1944 год. Самолет окрашен согласно модифицированной камуфляжной схеме № 1. Звезды в шести стандартных позициях. Передняя часть кока винта белого цвета.

Ил-2 Тип ЗМ «28» ВВС КА, Восточный фронт, зима 1943/44 годов. Трехцветный камуфляж покрыт быстросмываемым зимним камуфляжем МК-7. Нижние поверхности светлого серо-голубого цвета. Звезды в шести стандартных позициях. Кок винта белого цвета.

Поделиться:
Популярные книги

На границе империй. Том 10. Часть 7

INDIGO
Вселенная EVE Online
Фантастика:
боевая фантастика
космическая фантастика
попаданцы
5.00
рейтинг книги
На границе империй. Том 10. Часть 7

Я еще не князь. Книга XIV

Дрейк Сириус
14. Дорогой барон!
Фантастика:
юмористическое фэнтези
попаданцы
аниме
5.00
рейтинг книги
Я еще не князь. Книга XIV

Тринадцатый XII

NikL
12. Видящий смерть
Фантастика:
попаданцы
аниме
фэнтези
фантастика: прочее
7.00
рейтинг книги
Тринадцатый XII

Студент из прошлого тысячелетия

Еслер Андрей
2. Соприкосновение миров
Фантастика:
героическая фантастика
попаданцы
аниме
5.00
рейтинг книги
Студент из прошлого тысячелетия

Тринадцатый

Северский Андрей
Фантастика:
фэнтези
рпг
7.12
рейтинг книги
Тринадцатый

Железный Воин Империи II

Зот Бакалавр
2. Железный Воин Империи
Фантастика:
фэнтези
попаданцы
аниме
5.75
рейтинг книги
Железный Воин Империи II

Законы Рода. Том 4

Андрей Мельник
4. Граф Берестьев
Фантастика:
юмористическое фэнтези
аниме
5.00
рейтинг книги
Законы Рода. Том 4

Авиатор: назад в СССР

Дорин Михаил
1. Авиатор
Фантастика:
попаданцы
альтернативная история
5.25
рейтинг книги
Авиатор: назад в СССР

Неудержимый. Книга XXX

Боярский Андрей
30. Неудержимый
Фантастика:
аниме
фэнтези
фантастика: прочее
попаданцы
5.00
рейтинг книги
Неудержимый. Книга XXX

Морской волк. 1-я Трилогия

Савин Владислав
1. Морской волк
Фантастика:
альтернативная история
8.71
рейтинг книги
Морской волк. 1-я Трилогия

Прапорщик. Назад в СССР. Книга 6

Гаусс Максим
6. Второй шанс
Фантастика:
попаданцы
альтернативная история
5.00
рейтинг книги
Прапорщик. Назад в СССР. Книга 6

Моя простая курортная жизнь

Блум М.
1. Моя простая курортная жизнь
Проза:
современная проза
5.00
рейтинг книги
Моя простая курортная жизнь

Хозяин оков VI

Матисов Павел
6. Хозяин Оков
Фантастика:
фэнтези
попаданцы
гаремник
5.00
рейтинг книги
Хозяин оков VI

Виконт. Книга 1. Второе рождение

Юллем Евгений
1. Псевдоним `Испанец`
Фантастика:
фэнтези
боевая фантастика
попаданцы
6.67
рейтинг книги
Виконт. Книга 1. Второе рождение