Чтение онлайн

на главную - закладки

Жанры

Шрифт:

Носовая часть фюзеляжа FR Мк 9

Конструкция фюзеляжа PR Mk 10

Носовая часть фюзеляжа Т Мк 7

1 ATTACHMENT CATCHES 2 NObt wheel BULKHEAD 3 REAP SEAT BULKHEAD 4 FRONT-SPAR BULKHEAD 5 PENTHOUSE 6 REAR-PILOTS FLOOR 7 FRONT- SEAT BULKHEAD 8 FRONT-PILOTS FLOOR 9 INTERMEDIATE DIAPHRAGM 10 TOP LONGERON 11 NOSEWHEEL HOUSING 12 MAIN FORE-AND-AFT DIAPHRAGM 13 NOSE-WHEEL MOUNTING 14 BOTTOM LONGERON

Фюзеляж NF Мк 11

Хвостовая часть F Мк 8

Радиокомпас NF Mk 13

Носовая часть NF Mk 14

Носовая часть F Mk 1 – 4

< image l:href="#"/>

Центроплан F Мк 1 – 3

Центроплан F Мк 4

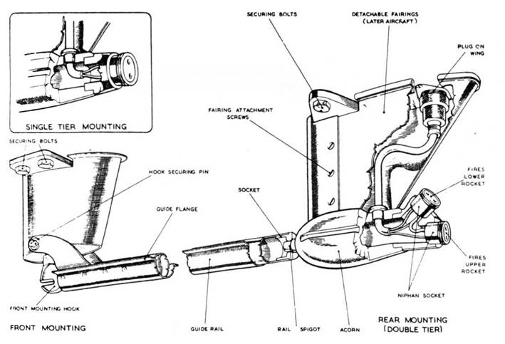
Направляющие для реактивных снарядов

Размещение пушек в крыле NF

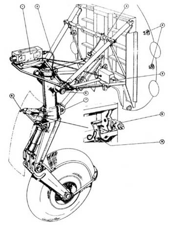
Стойка основного шасси F Мк 8. Такие же использовались на всех "Метеорах" от Т Мк 7 до ТТ Мк 20.

Носовая стойка шасси F Мк 8. Такие же исползовались на всех остальных "Метеорах".

Радар NF Мк 11

Отсек модулятора и премо-передатчика радара в удлинненом носу NF Мк 14

Размещение фотокамеры F. 95 в носу FR Мк 9

Размещение фотокамеры F. 24 в носу FR Мк 9. Аналогично камера размещалась на PR Mk 10.

Размещение двух фотокамер F. 52 в фюзеляже PR Mk 10

Подкрыльевой контейнер управления Мк 1 для беспилотного "Метеора" U Мк 15

Подкрыльевой контейнер управления Мк 3 для беспилотного "Метеора" U Мк 15

Система отстрела тепловых ловушек, монтировавшаяся у правого двигателя U Мк 15

Ветряной генератор привода лебедки буксировщика целей TT Мк 20

Штанга лебедки буксировщика целей TT Мк 20

Базировавшаяся на авиабазе Тангмер 29-я эскадрилья стала первым подразделением RAF, получившим в августе 1951 года ночные истребители «Метеор» NF.11. Самолет па снимке (НМ 174) несет полную гамму обозначений эскадрильи и индивидуальный код «L» на киле. Обозначения состоят из красных и белых полос, поверх которых нанесены красные X.

«Метеор» NF.11 ВВС Бельгии на стоянке заснеженного аэродрома. Этот самолет принадлежал 10-й эскадрилье 1-го крыла и сохранил британский камуфляж. Некоторые бельгийские IS/F.11 сохранили также бортовые номера RAF на нижней поверхности крыла.

Имперская школа летчиков-испытателей (Empire Test Pilots School, ETPS) имела все типы самолетов, находящихся па вооружении RAF. Этот «Метеор» !\'F./1 (WD769) использовался ETPS в 1950-х годах.

Конструкция фюзеляжа

Meteor F 8

Meteor NF 11

На сильно облезшем «Метеоре» Meteor MF.ll (WD668) еще сохранились обозначения 5-й эскадрильи – последней части, где он служил. Самолет сфотографирован на открытой стоянке в 1961 году. «Метеор» NF.ll стал первой модификацией этой машины, на которой пушки разместили в крыле.

Хотя «Метеор» NF. 11 не мог похвастать какими-либо выдающимися характеристиками, он хорошо справлялся с ролью ночного истребителя, особенно учитывая, что его создавали в качестве временной замены. Несколько эскадрилий RAF эксплуатировали NF. 11 совместно с ночными истребителями «Вампир» NF.2, а позднее – с «Веномом» NF.2 и NF.3.

Возникали проблемы с подкрыльевыми баками, которые иногда разрушались при открытии огня из пушек на высокой скорости. Был проведён ряд испытаний, пытались улучшить герметизацию баков, но решить проблему полностью так и не удалось. Фонарь кабины с массивным переплётом также создавал проблемы экипажам, ограничивая им обзор, особенно при посадке ночью.

Помимо RAF «Метеоры» NF. 11 поставлялись также и в ВВС других стран. Первыми в 1952 году ночные истребители приобрели Бельгия и Дания. Бельгия получила двадцать самолётов, ранее принадлежавших RAF, и ещё одна такая же партия была закуплена и поставлена в 1956 году. Эти машины несли службу до 1958 года. Часть из них получила бельгийские серийные номера, а часть сохранила старые британские, что порой приводило в замешательство пилотов других подразделений. «Метеоры» NF.11 служили в 10-й и 11-й эскадрильях ВВС Бельгии; их постепенно заменили канадскими истребителями Авро CF-100.

Поделиться:
Популярные книги

Ненаглядная жена его светлости

Зика Натаэль
Любовные романы:
любовно-фантастические романы
6.23
рейтинг книги
Ненаглядная жена его светлости

Казачий князь

Трофимов Ерофей
5. Шатун
Фантастика:
боевая фантастика
попаданцы
альтернативная история
5.00
рейтинг книги
Казачий князь

Любимая учительница

Зайцева Мария
1. совершенная любовь
Любовные романы:
современные любовные романы
эро литература
8.73
рейтинг книги
Любимая учительница

Матабар V

Клеванский Кирилл Сергеевич
5. Матабар
Фантастика:
фэнтези
5.00
рейтинг книги
Матабар V

Двойник короля 11

Скабер Артемий
11. Двойник Короля
Фантастика:
аниме
фэнтези
попаданцы
5.00
рейтинг книги
Двойник короля 11

Барон устанавливает правила

Ренгач Евгений
6. Закон сильного
Старинная литература:
прочая старинная литература
5.00
рейтинг книги
Барон устанавливает правила

Моров. Том 5

Кощеев Владимир
4. Моров
Фантастика:
фэнтези
попаданцы
аниме
5.00
рейтинг книги
Моров. Том 5

Идеальный мир для Лекаря 13

Сапфир Олег
13. Лекарь
Фантастика:
фэнтези
юмористическое фэнтези
аниме
5.00
рейтинг книги
Идеальный мир для Лекаря 13

Бальмануг. (Не) Любовница 2

Лашина Полина
4. Мир Десяти
Любовные романы:
любовно-фантастические романы
5.00
рейтинг книги
Бальмануг. (Не) Любовница 2

Я – Легенда 2: геном хищника

Гарцевич Евгений Александрович
2. Я - Легенда!
Фантастика:
боевая фантастика
рпг
фантастика: прочее
попаданцы
5.00
рейтинг книги
Я – Легенда 2: геном хищника

Черный дембель. Часть 5

Федин Андрей Анатольевич
5. Черный дембель
Фантастика:
попаданцы
альтернативная история
5.00
рейтинг книги
Черный дембель. Часть 5

Точка Бифуркации IX

Смит Дейлор
9. ТБ
Фантастика:
попаданцы
аниме
фэнтези
5.00
рейтинг книги
Точка Бифуркации IX

Последний Паладин. Том 6

Саваровский Роман
6. Путь Паладина
Фантастика:
фэнтези
попаданцы
аниме
5.00
рейтинг книги
Последний Паладин. Том 6

На границе империй. Том 7. Часть 2

INDIGO
8. Фортуна дама переменчивая
Фантастика:
космическая фантастика
попаданцы
6.13
рейтинг книги
На границе империй. Том 7. Часть 2