Чтение онлайн

на главную - закладки

Жанры

Шрифт:
image l:href="#"/>

Кабина NF Mk 11

1. Pilot's notes and map case 2. Trimmer lamp 3. Selector dimmer control 4. Harness stowage 5. Brake pressure gauge lamp 6. Range control 7. Press-to-transmit switch 8. Hood opening handle 9. Ancillary lamps dimmer switch 10. Ultra-violet lamps 11. Clock 12. Instrument panel lamps 13. Emergency lamps 14. Ultra-violet lamps dimmer switch 15. Gunsight spare bulbs 16. Gyro gunsight 17. Gunsight recorder camera 18. Gunsight emergency retraction control 19. Gunsight retractor frame switch 20. Gunsight master circuit breaker 21. Hood jettison handle 22. Instrument panel lamps dimmer switch 23. Telebriefing switch and lamp 24. Instrument panel lamps 25. Ultra-violet lamps 26. Time-of-flight clock lamp 27. Time-of-flight clock 28. Canopy emergency release, rear hooks 29. Canopy hood starboard catches indicator 30. Harness stowage 31. Gun firing safety catch 32. Gun firing trigger 33. Cine camera push button 34. Harness release lever 35. Generator failure warning lamp 36. Tel/mic socket 37. Stowage for gunsight recorder camera 38. Compass lamp 39. Press-to-mute switch 40. Emergency lighting switch 41. Battery isolating switch 42. Night gunnery training lamps switch (pre-MOD.5221) 43. VHF frequency controller 44. Intercom emergency switch 45. VHF frequency controller 46. Taxi lamps switch 47. Pressure head heater switch 48. Navigation lamps switch 49. Cine camera sunny/cloudy switch 50. Cine camera master switch 51. Downward identification lamps selector switch 52 Downward identification lamps steady switch 53. Downward identification lamps push button 54. IFF distress switch 55. ‘G Auto' switch 56. 'G Manual' switch 57. Switch panel lamp 58. VHF change-over switch

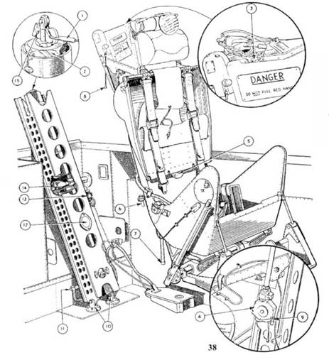
Рисунок процедуры демонтажа катапультного кресла PR Mk 10. Кресло выглядело аналогично и на других "катапультных" "Метеорах".

Кабина NF Mk 11

1 Junction box (SCR.720 amp; SCR.729) 2. Visor (stowed) (SCR.720 amp; SCR.729) 3. Protractor stowage 4. Chart board (stowed) 5. Dimmer switch for ASI and altimeter flood lamps (post-MOD 5381) 6. Rectifier Type 88 (SCR.720) 7. Hood seal pressure test connection 8. Oxygen supply regulator 9 Hood opening handle 10. Receiver (Gee) 11. Control box (SCR.720) 12. Airspeed indicator (post-MOD.5381) 13. ASI flood lamp (post-MOD.5381) 14. Indicator (Gee) 15. Indicator (SCR.720 amp; SCR.729) 16. Control box (SCR.729) 17. Altimeter flood lamp (post-MOD.5381) 18. Altimeter (post-MOD.5381) 19. Synchroniser (SCR.720 amp; SCR.729) 20. Hood jettison handle 21. Harness release 22. Compass master indicator flood lamp 23. Intercom emergency switch 24. Hood emergency release, rear hooks 25. Master indicator, gyro-magnetic compass Mk 4B 26. Control box Type 89 and 90 (IFF) 27. Dimmer switch (post-M0D.5103) for chart lamp and compass master indicator flood lamp 28. Asbestos gloves 29. Mic/tel socket 30. Wave-form generator (Gee) 31. Amplifier (compass) 32. Control box, three-phase AC supply 33. Power unit (SCR.720) 34. Seat adjuster lever 35. Rectifier Type 90 (SCR.720) 36. Oxygen mask socket 37. Press-to-mute switch (foot- operated) 38. Chart lamp 39. Footrest 40. Transmitter/receiver SCR.729 41. Generator reset switches 42. Gee AC circuit breaker 43. Radar AC supply push button 44. Phase-failure indicator, three-phase AC supply 45. Flight instruments emergency switches, three-phase AC supply 46. Generator field circuit breakers 47 Chart lamp supply socket 48 SCR.720 DC circuit breaker 49. VHF circuit breakers 50. Gee AC and DC switches 51. SCR.720 AC circuit breaker 52. SCR.729 AC circuit breaker 53 Generator failure warning lamps 54. IFF supply socket 55. Generator test panel trimmer 56. Generator test panel test sockets (volts and amps) 57. Generator test panel trimmer

Кабина NF Mk 12

1 Wheel brake pressure gauge 2. ASI deviation card holder 3 N/A 4. Cabin refngeration control (MOD.5161 only) 5. Cabin pressurising and ventilation control 6 Flap selector lever (up-neutral-down) 7. Rudder pedal adjuster release 8. Flap position indicator 9 Altimeter limit indicator 10. Machmeter 11. Airspeed indicator 12. Altimeter 13. Artificial horizon 14. Gyro unit, gyro-magnetic compass Mk 4B 15. Rate-of-climb indicator 16. Tum-and-slip indicator 17 Standby compass. Type E2A 18. Windscreen heater switch 19. Wheel brake lever 20 Oxygen supply regulator 21. Cabin air pressure altimeter 22. Cabin heating control 23. De-misting lever 24. Cabin air pressure warning horn switch 25. Compass control panel 26. Compass deviation card holders 27. Undercarriage emergency lowering control 28. Altitude limit switch 29. Windscreen de-icing pump 30. Undercarriage hydraulic handpump 31. Seat adjuster lever 32. Oxygen mask socket 33. Undercarriage warning lamp 34. Undercarriage position indicator 35. Radio altimeter altitude indicator 36. Undercarriage selector lever 37. Elevator trimmer handwheel 38. Elevator rudder and trim indicator 39. Rudder trimmer handwheel

Кабина NF Mk 12

1. Dimmer switch, controls console lamps 2. Hood seal pressure test connection 3. Control box, Type 89 (IFF) 4. Oxygen supply regulator 5. Hood opening handle 6. Indicator (Gee) 7. Console, radar 8. Airspeed indicator 9. ASI and altimeter flood lamp 10. Altimeter 11. Chart lamp 12. Master indicator, gyro-magnetic compass Mk 4B 13. Hood jettison handle 14. Dimmer switch for ASI and altimeter flood lamp 15. Compass deviation card holder 16. Harness release 17. Compass master indicator flood lamp 18. Control box (SCR.729) 19. Intercom emergency switch 20. Hood emergency release, rear hooks 21 Dimmer switch for compass master indicator flood lamp 22. Chart lamp dimmer switch 23. Harness stowage 24. Generator field circuit breakers 25. Generator reset switches 26. Generator test panel trimmer 27. Generator test panel test sockets (volts and amps) 28. Generator test panel test sockets (volts and amps) 29. Generator test panel trimmer 30. Warning lamp, generator failure 31. Chart lamp supply socket 32. Radar AC supply – Inverter Type Dl 33. Phase failure indicator, three-phase AC supply 34. Emergency switches, flight instruments, three-phase AC supply 35. Circuit breaker AC supply, SCR.729 36. Circuit breaker DC supply, SCR.729 37. Circuit breaker DC supply, VHF Set No.1 38. Circuit breaker DC supply, VHF Set No.2 39. Gee AC and DC supply switches 40. Circuit breaker DC supply. Inverter Type 200 41 IFF supply socket 42. First-aid outfit 43 Asbestos gloves 44. Mic/tel socket 45. Amplifier (compass) 46. Control box, three-phase AC supply 47 Seat adjuster lever 48. Oxygen mask socket 49. Press-to-mute switch (foot- operated) 50. Footrest 51. Transmitter/receiver SCR.729 52. Control unit, gyro gunsight 53. Protractor stowage 54. Control unit, gyro gunsight 55. Visor (stowed) 56. Control box. Type 90 (IFF) 57. Harness stowage 58. Chart board (stowed)

Кабина NF Mk 13

1 Relight switch 2. Tank pump test socket 3. Throttle controls 4. Drop tank air control and ventral tank jettison control 5. Engine fire warning lamp 6. Fuel contents gauge 7. Fuel contents gauge 8. Tachometer 9. Engine fire warning lamp 10. Tachometer 11. Engine fire extinguisher push buttons 12. Dual exhaust temperature gauge 13. Engine start push buttons 14. Tank pump circuit breakers 15. Relight switch 16. High pressure fuel cock control 17. Low pressure fuel cock control 18. Wing drop tanks jettison control 19. Oil pressure gauge 20. Oil pressure gauge 21. Fuel pressure warning lamp 22. Tank pump test switches 23. Low pressure fuel cock control 24. Fuel balance cock control 25. High pressure fuel cock control

Кабина NF Mk 13

1. Junction box (SCR.720) 2. Visor (stowed) (SCR.720) 3 Protractor stowage 4 Harness stowage 5. Chart board (stowed) 6. Dimmer switch for ASI and altimeter flood lamps 7. Hood seal pressure test connectors 8. Stowage for Rebecca visor 9. Oxygen supply regulator 10. Hood opening handle 11. Rebecca indicator and visor 12. Radio compass indicator 13. ASI flood lamp 14. Airspeed indicator 15. Rebecca control unit 16. Transformer and regulator (radio compass) 17. Chart lamp 18. First-aid outfit 19. Indicator (SCR.720) 20. Altimeter 21. Altimeter flood lamp 22. Synchroniser (SCR.720) 23. Hood jettison handle 24. Holder compass deviation card 25. Harness release 26. Compass master indicator flood lamp 27. I/С switch (radio compass) 28. Intercom emergency switch 29. Hood emergency release, rear hooks 30. Compass flood light dimmer switch 31. Harness stowage 32. Chart lamp dimmer switch 33. Generator test panel, test sockets (volts and amps) 34. Generator test panel, test sockets (volts and amps) 35. Generator test panel trimmer 36. M.G.7 supply circuit breaker (Rebecca) 37. Radar AC supply push buttons 38. Generator reset switch 39. Phase failure indicator, three-phase AC supply 40. Flight instrument emergency switches, three-phase AC supply

41. Radio compass supply switches 42. Chart lamp supply socket 43. SCR.720 DC circuit breaker 44 VHF supply circuit breaker 45. VHF supply circuit breaker 46 Rebecca AC and DC supply switches 47. SCR.720 AC circuit breaker 48. Generator field circuit breakers 49. Generator failure warning lamps 50. IFF supply socket 51. Generator test panel trimmer 52. Asbestos gloves 53. MicAel socket 54. Amplifier (compass) 55. Control box, three-phase AC supply 56. Control box Type 89 amp; 90 (IFF) 57. Master indicator, gyro-magnetic compass Mk 4B 58. Receiver controller (radio compass) 59 Seat adjuster lever 60. Rectifier Type 90 (SCR.720) 61. Oxygen mask socket 62. Press-to-mute switch (foot- operated) 63. Footrest 64 Control box (SCR.720) 65 Receiver (radio compass) 66. Loop aenal test plug (radio compass) 67 Rectifier, Type 88 (SCR.720)

Кабина инструктора TT Mk 20. Кабина курсанта аналагочна NF Mk 11.

1. ARI.23007 cable test unit (TT equipment) 2. Terminal block T.T.9 (TT equipment) 3. Terminal block T.T.1 (TT equipment) 4. Chart board (stowed) 5. Protractor stowage 6 Target release switches (TT equipment) 7 Dimmer switch 8. ARI.23007 cable test unit floodlight 9. Oxygen supply regulator 10. Hood seal pressure test connection 11. Hood opening handle 12. Interlock reset (TT equipment) 13 Electro-magnetic indicators (TT equipment) 14. Pay-out over-ride switch (TT equipment) 15 Cable cutter control handle 1 (TT equipment) 16 Windmill tachometer (TT equipment) 17. Windmill tachometer flood lamp 18. ARI23007 recorder flood lamp 19. Indicator lights (TT equipment) 20. ARI.23007 recorder (TT equipment) 21 Footage indicator flood lamp 22. In over-ride switch button (TT equipment) 23 Footage indicator (TT equipment) 24. Reset footage indicator (TT equipment) 25 Emergency brake switch (TT equipment) 26. Hood jettison handle 27. Harness release 28 Hood emergency release, rear hooks 29. R.T/beacon switch 30. Intercom emergency switch 31. Inching switch (TT equipment) 31 A. Compass master indicator flood lamp 32. Master indicator, gyromagnetic compass Mk 4B 33. Dimmer switch 34. Haul-in/Payout selector switch (TT equipment) 35. Asbestos gloves 36. Mic/tel socket 37. Dimmer switch 38. Master circuit breaker (TT equipment) 39. Amplifier (compass) 40. ASI 41. Control box, three-phase AC supply 42 Altimeter 42 ARI.5307 receiver 44. Seat adjuster lever 45. Oxygen mask socket 46. Press-to-mute switch (foot- operated) 47. ARI.23007 battery box (TT equipment) 48 Footrest 49. Chart lamp 50. Generator test panel trimmers 51. Generator test panel test sockets (volts and amps) 52. Generator reset switches 53. Phase failure indicator, three-phase AC supply 54. Chart lamp supply socket 55. Flight instrument emergency switches 56. VHF circuit breakers 57. Generator field circuit breakers 58. Generator failure warning lamps 59. Generator test panel trimmers

1

emergency

Кабина U Мк 16

1. Pilot's control unit 2. Command receiver switch 3. Pilot’s control unit panel dimmer 4. Repositioned flares switch 5. Pitch camera control 6. Standby receiver switch 7. Generator switches

Кабина оператора радара n mk14

1. Control unit Type 89 (IFF) 2. Hood jettison mechanical lock indicators 3. Control unit Type 90 (IFF) 4. Dimmer switch for control console lamps 5. Hood opening switch 6. Hood actuator declutching lever 7. Oxygen system regulator 8. Stowage for Rebecca visor 9. Radar console 10. Air speed indicator 11. ASI and altimeter flood lamp 12. Altimeter 13. Master indicator, gyro-magnetic compass Mk 4B 14. Press-to-transmit switch (post-MOD.5755) 15. Hood jettison handle 16. Control box (SCR.729) 17. Compass deviation card holder 18. Dimmer switch for compass master indicator flood lamp 19. Harness release 20. Altimeter 21. Chart lamp dimmer switch 22. Harness stowage 23. Hood seal pressure test connectors 24. Generator test panel trimmer 25. Generator test panel, test sockets (volts and amps) 26. Generator test panel, test sockets (volts and amps) 27. Chart lamp supply socket 28. Radar AC supply, inverter Type Dl 29. Generator failure-warning lamps 30. Phase failure indicator, three-phase AC supply 31. Flight instrument emergency switches, three-phase AC supply 32. Circuit breaker DC supply, inverter Type 200 33. Circuit breaker AC supply. SCR.729 34. Circuit breaker DC supply, SCR.729 35. Circuit breaker DC supply, VHF Set No.1 36. Circuit breaker DC supply, VHF Set No.2 37. Radar AC supply push buttons 38. Generator field circuit breakers 39. Generator reset switch 40. IFF supply socket

41 Generator test panel trimmer 42. First-aid outfit 43. Amplifier (compass) 44. Mic/tel socket 45. Control box, three-phase AC supply 46. Intercom, emergency switch 47. Compass master indicator flood lamp 48. Seat adjuster lever 49. Dimmer switch for ASI and altimeter flood lamp 50. Press-to-mute switch (foot operated) 51. Oxygen mask socket 52. Footrest 53. Chart lamp 54. Transmitter/receiver (SCR.729) 55. Control unit, gyro gunsight 56. Control unit, gyro gunsight 57. Protractor stowage 58. Radar visor 2 59. Asbestos gloves 60. Chart board (stowed)

2

stowed

Поделиться:
Популярные книги

Ненаглядная жена его светлости

Зика Натаэль
Любовные романы:
любовно-фантастические романы
6.23
рейтинг книги
Ненаглядная жена его светлости

Казачий князь

Трофимов Ерофей
5. Шатун
Фантастика:
боевая фантастика
попаданцы
альтернативная история
5.00
рейтинг книги
Казачий князь

Любимая учительница

Зайцева Мария
1. совершенная любовь
Любовные романы:
современные любовные романы
эро литература
8.73
рейтинг книги
Любимая учительница

Матабар V

Клеванский Кирилл Сергеевич
5. Матабар
Фантастика:
фэнтези
5.00
рейтинг книги
Матабар V

Двойник короля 11

Скабер Артемий
11. Двойник Короля
Фантастика:
аниме
фэнтези
попаданцы
5.00
рейтинг книги
Двойник короля 11

Барон устанавливает правила

Ренгач Евгений
6. Закон сильного
Старинная литература:
прочая старинная литература
5.00
рейтинг книги
Барон устанавливает правила

Моров. Том 5

Кощеев Владимир
4. Моров
Фантастика:
фэнтези
попаданцы
аниме
5.00
рейтинг книги
Моров. Том 5

Идеальный мир для Лекаря 13

Сапфир Олег
13. Лекарь
Фантастика:
фэнтези
юмористическое фэнтези
аниме
5.00
рейтинг книги
Идеальный мир для Лекаря 13

Бальмануг. (Не) Любовница 2

Лашина Полина
4. Мир Десяти
Любовные романы:
любовно-фантастические романы
5.00
рейтинг книги
Бальмануг. (Не) Любовница 2

Я – Легенда 2: геном хищника

Гарцевич Евгений Александрович
2. Я - Легенда!
Фантастика:
боевая фантастика
рпг
фантастика: прочее
попаданцы
5.00
рейтинг книги
Я – Легенда 2: геном хищника

Черный дембель. Часть 5

Федин Андрей Анатольевич
5. Черный дембель
Фантастика:
попаданцы
альтернативная история
5.00
рейтинг книги
Черный дембель. Часть 5

Точка Бифуркации IX

Смит Дейлор
9. ТБ
Фантастика:
попаданцы
аниме
фэнтези
5.00
рейтинг книги
Точка Бифуркации IX

Последний Паладин. Том 6

Саваровский Роман
6. Путь Паладина
Фантастика:
фэнтези
попаданцы
аниме
5.00
рейтинг книги
Последний Паладин. Том 6

На границе империй. Том 7. Часть 2

INDIGO
8. Фортуна дама переменчивая
Фантастика:
космическая фантастика
попаданцы
6.13
рейтинг книги
На границе империй. Том 7. Часть 2