Чтение онлайн

на главную - закладки

Жанры

Шрифт:

Подвеска больших бомб под крыло с помощью двух лебедок БЛ-4.

Подвеска 250-кг бомб под крыло с помощью одной лебедки БЛ-4.

Пулемет УБ стрелка-радиста имел сектор обстрела 110° вправо и 105° влево, 65°-70° вверх и 15° вниз. На самолетах до 44-й серии использовался станок ВУБ-2М, а позже ВУБ-68. Прицел К-8Т или К-20Т со стабилизатором ОМП-6 или ОМП-7. На самолетах завода № 166 использовали станок ВЕУ-1 с электроприводом. Боекомплект 250 выстрелов.

Пулемет УБТ нижнего стрелка имел сектор обстрела 23° влево и вправо, 45° вниз и 1° вверх. До 49-й серии использовался станок ЛУ-Пе-2 (с самолета Пе-2), боекомплект 300 выстрелов. Потом начали использовать станок ЛУ-68, прицел ОП-2Л, а боекомплект увеличили до 350 выстрелов.

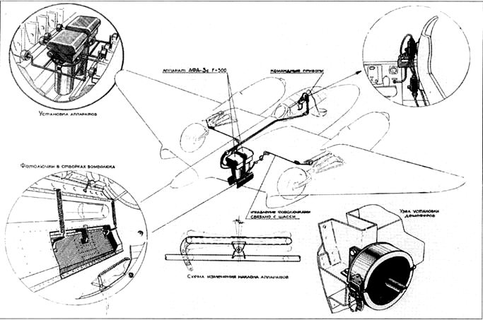
Для регистрации результатов стрельбы служили фотопулеметы ПАУ-22, устанавливаемые с 52-й серии на местах стрелков, а начиная с 57-й серии, и на месте пилота.

Установка фотоаппаратов АФА-ЗС

Тактико-технические данные самолетов Ту-2, полученные в ходе испытаний
Машина № 100308 завод № 23 № 100716 завод № 23 № 38/47 завод № 23 № 04/07 завод № 166 № 10033905 Завод № 39 № 10053915 завод № 39
Дата испытания 13.09–28.11.42 04.09 — 16.12.43 1946 29.01 — 05.04.48 04.03 — 25.04.49 05.49
Сухая масса, кг 7601 7474 8404 8467
Нормальная взлетная масса, кг 10538 10360 10960 11030 11450 11585
Макс. скорость, км/ч 521 547 550 535 550 549
На высоте, м 3200 5400 5460 5700 5700 5500
Скороподъемность на 5000 м, мин 10,2 9,5 10,3 11,2 11 10,8
Потолок, м 9000 9500 9350 9200 9000 9000
Разбег, м 450 415 465 504
Пробег, м 545 675 875 500
Дальность, км 2020 2100 2250 2650 2180 1950
Габариты самолета Ту-2

Габариты самолета Ту-2

Длина: 13,80м

Размах: 18,86 м

Высота в полете (с винтами): 4,55 м

Высота на земле (с винтами):4,84 м

Площадь крыла: 48,8 м^2

Удлинение крыла: 7,3

Средняя аэродинамическая хорда крыла: 3,25 м

Площадь элеронов: 3,303 м

Размах закрылков: 10,60 м

Стреловидность крыла: 2°

Угол возвышения консолей: +7°1'

Площадь горизонтальных стабилизаторов: 8,72 м^2

Удлинение горизонтальных стабилизаторов: 3,22

Площадь шайб руля: 5,32 м^2

Расстояние между шайбами: 5,3 м

Колея главного шасси: 5,4 м

База: 8,70 м

Тy-2, Тихоокеанский флот, ноябрь 1946 года. Самолет голубого цвета, на бортаx и сверху пятна серо-синего цвета.

Ту-2, Закавказский ВО, 1947 год. Пятнистый камуфляж оливковый/песочный/черный, днище светло-серый.

Ту-2 командующего 88-го БАД. 1945 год. Двухцветный камуфляж: зеленый/светло-голубой

Кабина Ту-2

1. Рефлекторный прицел. 2. Указатель курса и расстоянии. 3. Курвиметр. 4. Вариометр. 5. Указатель радиокомпаса. 6. Часы. 7. Указатели давления впрыска. Я. Тахометры. 9. Указатели температуры головок цилиндров. 10. Указатели температуры масла. 11. Указатели давления масла. 12. Компас. 13. Гашетка. 14. Педаль. 15. Штурвал. 16. Стойка штурвала. 17. Переключатели пушки и шасси… 18. Кресло нилота. 19. Индикаторы пушки. 20. Панель управления двигателями и шасси. 21. Вольтметр. 22. Указатель выпущенного шасси (зеленая лампочка). 23. Указатель убранного шасси (красная лампочка). 24. Указатель положения закрылков. 25. Индикатор гирокомпаса. 26. Указатель перегрузки. 27. Лампочка регулятора триммера. 28. Искусственный горизонт. 29. Альтиметр. 30. Спидометр.

Выпущенный для посадки закрылок.

Винт АВ-9ВФ-21К.

Польский Ту-2, морская авиация. 1956 год. Типичный камуфляж: зеленый/голубой

Поделиться:
Популярные книги

Адвокат

Константинов Андрей Дмитриевич
1. Бандитский Петербург
Детективы:
боевики
8.00
рейтинг книги
Адвокат

Тринадцатый

NikL
1. Видящий смерть
Фантастика:
фэнтези
попаданцы
аниме
6.80
рейтинг книги
Тринадцатый

Локки 8. Потомок бога

Решетов Евгений Валерьевич
8. Локки
Фантастика:
фэнтези
боевая фантастика
героическая фантастика
попаданцы
5.00
рейтинг книги
Локки 8. Потомок бога

Надуй щеки! Том 7

Вишневский Сергей Викторович
7. Чеболь за партой
Фантастика:
попаданцы
дорама
5.00
рейтинг книги
Надуй щеки! Том 7

Кодекс Охотника. Книга XVI

Винокуров Юрий
16. Кодекс Охотника
Фантастика:
фэнтези
попаданцы
аниме
5.00
рейтинг книги
Кодекс Охотника. Книга XVI

Система Возвышения. (цикл 1-8) - Николай Раздоров

Раздоров Николай
Система Возвышения
Фантастика:
боевая фантастика
4.65
рейтинг книги
Система Возвышения. (цикл 1-8) - Николай Раздоров

Лейб-хирург

Дроздов Анатолий Федорович
2. Зауряд-врач
Фантастика:
альтернативная история
7.34
рейтинг книги
Лейб-хирург

Медиум

Злобин Михаил
1. О чем молчат могилы
Фантастика:
фэнтези
7.90
рейтинг книги
Медиум

Личный аптекарь императора

Карелин Сергей Витальевич
1. Личный аптекарь императора
Фантастика:
городское фэнтези
попаданцы
аниме
фэнтези
5.00
рейтинг книги
Личный аптекарь императора

Барон запрещает правила

Ренгач Евгений
9. Закон сильного
Фантастика:
аниме
фэнтези
попаданцы
5.00
рейтинг книги
Барон запрещает правила

Законы Рода. Том 2

Андрей Мельник
2. Граф Берестьев
Фантастика:
фэнтези
аниме
5.00
рейтинг книги
Законы Рода. Том 2

На границе империй. Том 8. Часть 2

INDIGO
13. Фортуна дама переменчивая
Фантастика:
космическая фантастика
попаданцы
5.00
рейтинг книги
На границе империй. Том 8. Часть 2

Убивать чтобы жить 2

Бор Жорж
2. УЧЖ
Фантастика:
героическая фантастика
боевая фантастика
рпг
5.00
рейтинг книги
Убивать чтобы жить 2

Наследие Маозари 8

Панежин Евгений
8. Наследие Маозари
Фантастика:
боевая фантастика
космическая фантастика
попаданцы
постапокалипсис
рпг
фэнтези
эпическая фантастика
5.00
рейтинг книги
Наследие Маозари 8