Чтение онлайн

на главную - закладки

Жанры

Шрифт:

Однако данный материал подойдет лишь для клеток, в которых будут содержаться специализированные мясные породы, например Калифорнийская.

Дело в том, что у таких пород высокая опушенность ног, благодаря чему они редко заболевают потодерматитом.

Сетчатый пол не подойдет для содержания крупных пород кроликов, поскольку они обладают большой массой тела, и давление, оказываемое сеткой на лапы, часто вызывает воспаление конечностей. Также сетчатый пол не рекомендуется в клетках с маленькими крольчатами, так как те застревают в ячейках, что приводит к травмам.

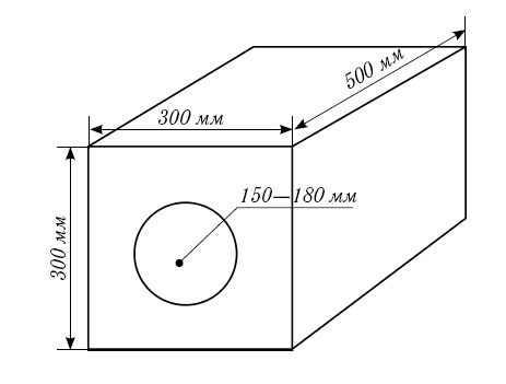
Если в клетке данного типа будет содержаться самка во время окрола, то в нее рекомендуется ставить маточный домик, который делают из толстой фанеры или досок. Длина такого домика составляет 500 мм, ширина и высота — 300 мм, диаметр отверстия — 150–180 мм (рис. 28).

Рис. 28. Маточный домик

Маточный домик в зимнее время нуждается в дополнительном утеплении для защиты крольчат от переохлаждения, особенно это касается случаев, когда клетки находятся на открытом воздухе или в неотапливаемых помещениях. Очень часто родильные отделения оборудуют электроподогревом.

Маточный домик устанавливают за 3–4 дня до окрола, а убирают через 25–30 дней после него. Во избежание переохлаждения крольчат, в зимнее время маточный домик может находиться в клетке и более долгое время.

Ниже изображен еще один вариант конструкции клетки, подходящей для крольчих (рис. 29).

Рис. 29. Клетка с маточными отделениями

Изготовление клетки данной конструкции более трудоемкое, но использовать ее удобнее, поскольку проще проводить осмотр новорожденных крольчат. В родильном отсеке пол обязательно должен быть сплошным, при этом не стоит бояться мочи и фекалий, так как крольчиха не станет испражняться в норе. Входное отверстие отсека должно быть диаметром 150–180 мм и находиться на высоте 100–120 мм от пола. В зимнее время его стенки можно утеплить при помощи матрасов с соломой или опилками.

Далее изображена клетка, условия содержания в которой максимально приближены к естественным (рис. 30). Ее изготовление займет много времени и сил, но она как нельзя лучше подходит для крольчихи с крольчатами. При необходимости, вход в родильное отделение можно перекрыть задвижкой.

Одним из наиболее распространенных способов является содержание в клетках с искусственными норами (рис. 31).

Рис. 30. Конструкция маточного отделения

Рис. 31. Клетка с искусственными норами

В приведенной выше конструкции искусственные норы расположены под землей, что помогает в зимнее время уберечь молодняк от переохлаждения, а в летнее — от перегрева. От родильного отделения в клетку ведет 2-метровая труба, подъем по которой стимулирует аппетит крольчат и благотворно влияет на их здоровье.

Для содержания кроликов на открытом воздухе в летнее время можно использовать клетки на колесиках, у которых также могут быть устроены сетчатые выгулы. Конструкцию монтируют из отделений трех видов: для двух самцов-производителей, для четырех самок и для шести отсаженных крольчат в возрасте от 3-х до 6-ти месяцев.

Молодняк, идущий на получение шкурок, можно разводить в двусторонних сетчатых клетках. Длина клетки составляет 300 см, ширина — 90 см. В ней одновременно содержат до 12-ти крольчат. Для этого с помощью раздвижных перегородок клетку делят на две части, каждая из которых вмещает до 6-ти отсаженных крольчат, живущих в ней до достижения 3–3,5 месяца. Потом при помощи шиферных или деревянных щитов клетку разделяют на 12 отсеков шириной 25 см и в каждом до забоя содержат по одному кро лику.

Выгулы с убежищем также подойдут для содержания молодняка. Они представляют собой групповые клетки, в которых содержатся отсаженные крольчата. При этом сами клетки могут быть разных видов, но больше всего для этой цели подходят групповые клетки с выгульными двориками.

Их каркасы делают деревянными или металлическими и обтягивают металлической сеткой с ячейками 2,5 × 2,5 см для стен и 1,8 × 1,8 см для пола дворика. Размеры отверстий при строительстве рекомендуется соблюдать, так как в противном случае крольчата, выходя из клетки, могут сломать лапы. Размеры самих групповых клеток могут быть различными, но на практике чаще всего используют следующие величины: длина дворика — 200 см, ширина — 100 см, высота — 60 см.

Деревянное убежище, предназначенное для укрытия от снега, дождя, ветра и сильного солнца, помещают на одной из длинных сторон. Его длина составляет 200 см, ширина — 70 см, высота задней стенки — 60 см, передней — 50 см. Внутреннее пространство убежища делится на несколько отсеков с помощью перегородок, при этом каждое отделение связано с двориком. Крышу убежища делают подвижной, из дерева, крепя к конструкции петлями. Клетки находятся на столбиках на высоте 80 см от земли. Сетчатый пол позволяет выделениям падать на землю, что снижает риск заболевания животных кокцидиозом.

Получение от кроликов зимних окролов связано с определенными трудностями. В первую очередь трудности заключаются в недостатке тепла, приплод может замерзнуть в маточнике даже при положительной температуре, ведь крольчата рождаются без шерсти и слепыми. Если использовать подогрев маточного отделения, то получение зимних окролов станет возможным. Итак, можно использовать несколько видов обогрева маточников.

Утепленный маточник без дополнительного подогрева. Данный тип маточника подойдет для регионов, в которых температура воздуха зимой не опускается ниже –10–15 °C. Его первоочередная задача — максимальное сохранение тепла крольчихи и крольчат.

Для изготовления маточника данного вида выбирают фанеру толщиной 3–5 мм, крышу, пол и стены делают двойными, а чтобы сохранить тепло, используют минвату, пенопласт или солому. В последнем случае необходимо периодически заменять материал, для этого двойные стены и дно должны сниматься. Чтобы предохранить утеплитель от впитывания влаги, его необходимо обернуть или запаять в полиэтиленовые пакеты, а затем поместить между секциями стен, пола и дна.

Чтобы правильно разводить кроликов и получать от них высококачественную продукцию, необходимо знать особенности выбранной породы, учитывать потребности животных и обеспечивать им соответствующие условия.

Маточник делают не очень большим, потому что чем больше пространство, тем большее количество тепла необходимо на поддержание в нем постоянной температуры. В зависимости от размера крольчихи, диаметр входного отверстия должен составлять 150–180 мм, что также делается для экономии тепла.

Маточник, обогреваемый системой «теплый пол» или электрической грелкой. Данную конструкцию изготавливают с однослойными стенами и потолком и двойным полом, между отделениями которого кладут секцию «теплого пола» или медицинскую грелку. Для защиты от влаги нагревательные элементы также рекомендуется предварительно запаять в полиэтиленовый пакет. Верхний слой пола, на котором будет лежать крольчиха, застилают фанерой толщиной 3–4 мм. Плюсом такого маточника можно считать то, что его возможно сделать немного большего размера, чем предыдущий вариант.

Поделиться:
Популярные книги

Эволюционер из трущоб. Том 9

Панарин Антон
9. Эволюционер из трущоб
Фантастика:
попаданцы
аниме
фэнтези
фантастика: прочее
5.00
рейтинг книги
Эволюционер из трущоб. Том 9

Развод. Без права на ошибку

Ярина Диана
Любовные романы:
современные любовные романы
короткие любовные романы
5.00
рейтинг книги
Развод. Без права на ошибку

#Бояръ-Аниме. Газлайтер. Том 11

Володин Григорий Григорьевич
11. История Телепата
Фантастика:
фэнтези
попаданцы
аниме
5.00
рейтинг книги
#Бояръ-Аниме. Газлайтер. Том 11

Идеальный мир для Лекаря 15

Сапфир Олег
15. Лекарь
Фантастика:
боевая фантастика
юмористическая фантастика
аниме
5.00
рейтинг книги
Идеальный мир для Лекаря 15

Неудержимый. Книга XXVI

Боярский Андрей
26. Неудержимый
Фантастика:
фэнтези
попаданцы
5.00
рейтинг книги
Неудержимый. Книга XXVI

Первый среди равных. Книга V

Бор Жорж
5. Первый среди Равных
Фантастика:
попаданцы
аниме
фэнтези
5.00
рейтинг книги
Первый среди равных. Книга V

Наследие Маозари 2

Панежин Евгений
2. Наследие Маозари
Фантастика:
попаданцы
рпг
аниме
5.00
рейтинг книги
Наследие Маозари 2

Эволюционер из трущоб. Том 5

Панарин Антон
5. Эволюционер из трущоб
Фантастика:
попаданцы
аниме
фэнтези
фантастика: прочее
5.00
рейтинг книги
Эволюционер из трущоб. Том 5

Лекарь Империи 2

Карелин Сергей Витальевич
2. Лекарь Империи
Фантастика:
городское фэнтези
аниме
дорама
фэнтези
попаданцы
5.00
рейтинг книги
Лекарь Империи 2

Убивать, чтобы жить

Бор Жорж
1. УЧЖ
Фантастика:
героическая фантастика
боевая фантастика
рпг
5.00
рейтинг книги
Убивать, чтобы жить

Стеллар. Трибут

Прокофьев Роман Юрьевич
2. Стеллар
Фантастика:
боевая фантастика
рпг
8.75
рейтинг книги
Стеллар. Трибут

Идеальный мир для Лекаря

Сапфир Олег
1. Лекарь
Фантастика:
фэнтези
юмористическое фэнтези
аниме
5.00
рейтинг книги
Идеальный мир для Лекаря

Газлайтер. Том 23

Володин Григорий Григорьевич
23. История Телепата
Фантастика:
боевая фантастика
попаданцы
аниме
5.00
рейтинг книги
Газлайтер. Том 23

Афганский рубеж 2

Дорин Михаил
2. Рубеж
Фантастика:
попаданцы
альтернативная история
5.00
рейтинг книги
Афганский рубеж 2