Heinkel Не 100

на главную - закладки

Жанры

Поделиться:
Шрифт:

«Война в воздухе» №140.2005 г. Периодическое научно-популярное издание для членов военно-исторических клубов. Редактор-составитель Иванов С. В. При участии ООО «АРС». Лицензия ЛВ №35 от 29.08.97 © Иванов С. В.. 2004 г. Издание не содержит пропаганды и рекламы. Отпечатано в типографии «Нота» г. Белорецк. ул. Советская, 14 Тираж: 300 экз.

Введение

Не-100 остался в истории авиации по двум основным причинам. Первым был факт установления на нем нового абсолютного мирового рекорда скорости. Самолет был действительно одним из самых скоростных в своем классе. Однако не прекрасные летные характеристики стали причиной того, что Не-100 стал так широко известен. Эта причина – прежде всего изощренная пропаганда III-го Рейха, которая представляла его в качестве нового совершенного истребителя Люфтваффе. Вся эта операция по дезинформации оказалась на столько удачной, что пилоты воюющих с Германией стран, периодически заявляли о фактах воздушных боев с этими самолетами («Не-113»), и это даже вне зависимости от того проходили ли они в Европе или на Тихом океане.

Пропагандистская фотография «боевого» Не-100D-I «белая 8» из не существующего в действительности (фиктивного) истребительного подразделения «Blitzgeschwader», сделанная на аэродроме Росток-Мариенех, весна 1940 года.

Прототипы

Когда в конце 1936 года Эрнст Хейнкель узнал, что его Не-112 может проиграть конкурс на основной истребительный самолет Люфтваффе, он уже имел в запасе очередной проект. Хотя еще никто официально не выбрал один из истреби гелей из участвующих в конкурсе, но тот факт, что основной конкурент Хейнкеля – Вилли Мессершмитт котировался в кругах командования военно-воздушных сил значительно выше, было тайной «полишинеля». Выигрыш конкурса истребителем Bf-109 был только вопросом времени. Этот факт с одной стороны вызывал у Эрнста Хейнкеля мягко говоря неудовлетволрение – работы над Не-112 еще не были окончены, и он пока не обрел своего настоящего «лица», реализовав весь заложенный в него потенциал. Однако с другой стороны ожидаемое поражение в борьбе за очень выгодный контракт вынуждало к еще более интенсивной работе и убеждению руководства Люфтваффе в том, что его, Хейнкеля, фирма всегда устанавливает стандарты и в состоянии существенно опередить любых конкурентов. Ответом Хейнкеля на данную проблему должен был стать проект нового, суперскоростного истребителя, идея которого зародилась несколькими месяцами ранее, в начале 1936 года. Это должен был быть суперскоростной истребительный самолет, характеристики которого превышали бы характеристики всех современных ему боевых самолетов. Такая машина смогла бы молниеносно завоевать превосходство в воздухе в случае возникновения вооруженного конфликта. Ни один бомбардировщик противника не мог бы безнаказанно пролететь над немецкими городами или промышленными объектами. Заглядывая в будущее, Хейнкель уже видел ряды стоящих на аэродромах Ш-го Рейха суперскоростных истребителей, которые отразили бы любую атаку.

Однако шел 1936 год, и планы постройки задуманного самолета должны были немного подождать. В первую очередь Хейнкелю пришлось развивать дальше Не-112. В этот проект уже было вложено большое количество средств, и прекращение работ над ним привело бы к гигантским потерям. Кроме того, как проинформировал конструктора его приятель, генерал Эрнст Удет, в Technisches Amt RLM работали над проектом введения далеко идущего преобразования немецкой авиационной промышленности, в рамках которой после соответствующей реструктуризации и «рационализации» отдельным фирмам было бы поручено конструирование и производство самолетов только конкретно определенных типов. В соответствие с этими планами фирма BFW должна была заниматься исключительно истребителями, фирмы Domier и Heinkel бомбардировщиками и так далее. Кроме работ над Не-112, фирма Ernst Heinkel Flugzeugewerke GmbH должна была заняться постройкой и конструированием новых многомоторных самолетов, теряя возможность создания новых истребителей. Информация о таких замыслах RLM, хотя поначалу и остудила запал Хейнкеля, имела и противоположное воздействие – подтолкнув его к как можно более быстрому представлению в Т-Arm проекта суперскоростного истребителя.

Пропагандистская фотография «боевого» He-100 D-I «белая 12» в полете, весна 1940 года.

Пропагандистская фотография нескольких самолетов Не-100D-I из «боевого» истребительного подразделения «Blitzgeschwader», сделанная в начале 1940 года.

Очевидно, после консультаций со своими ближайшими сотрудниками Хейнкелем было принято решение о начале работ над таким самолетом. Проект получил обозначение Р. 1035. Инженером, отвечающим за новый самолет, был назначен Генрих Гсртел, а в его группу кроме других входили братья Вальтер и Зигфрид Гюнтер. Вся эта тройка уже работала вместе при проектировании истребителя Не-112. Первоначально основа конструкции нового планера должна была опираться на «стодвенадцатый». В общем, это должен был быть «подправленный» и «улучшенный» Не-112 в связи, с чем существовала реальная возможность того, что макет, а затем и прототип Р. 1035 удастся выполнить в короткие сроки. В меморандуме, который Хейнкель огласил во время собрания инженерных кадров фирмы 31 января 1936 года, говорилось, что Р. 1035 получает абсолютный приоритет по сравнению со всеми остальными проектами. Предполагалось, правда очень оптимистично, что макет будет готов уже к маю, и тогда его официально представят в Министерстве авиации (RLM). Но до этого времени все работы должны были вестись в совершенной тайне. Здесь не шло речи о сокрытии факта разработки нового самолета от вражеских шпионов, а только от чиновников RLM. Помня о конфиденциальной информации, которой с ним поделился Удет (относительно разделения авиационной промышленности на отдельные сектора) Хейнкель вполне естественно допускал, что этот его проект может быть заблокирован руководящими или просто не симпатизирующими ему чиновниками министерства. В общем, не было тайной, во всяком случае, среди людей связанных с оборонной промышленностью, что в верхних эшелонах как в RLM, так и в OKL все время шла борьба, с целью получения заказав для своих протеже (как,конструкторов, так и производителей). А занятие соответствующей позиции в кругах людей принимающих решения могло представлять идеальный пункт для борьбы за занятие монопольной позиции в определенном секторе авиационной промышленности. В это время над новым истребителем уже работала группа на фирме Fokke-Wulf, под руководством Курта Танка. Правда концепция их проекта была совершенно иной, но об этом в тот момент Хейнкель еще не знал. (Курт Танк работал над проектом тяжелого истребителя Fokke-Wulf 187, который материализовался в виде FW- 187. Финал этого самолета был тот же, что и описываемого в этой книге Не- 100, с той только разницей, что FW-187 не побил ни одного рекорда). Однако оказалось, что модифицировать Не-112 попросту не возможно. Самолет был технологически очень сложным, и можно было быть уверенным, что любая его переделка или даже довольно существенное вмешательство в его конструкцию может окончиться полным фиаско.

Пропагандистская фотографии «боевого» Не-100D-I «белая 8» из не существующего в действительности истребительного подразделения «Blitzgeschwader» сделанная на аэродроме Росток-Мариепех (Rostock-Marienehe), весна 1940 года.

Профессор Эрнст Хейнкель вместе с шеф-пилотом его фирмы Герхардом Ничке (слева) и флюгкапитаном Гансом Дитерли.

Итак, необходимо было разработать совершенно новый планер, а это уже не представлялось таким уж простым делом. Существенно возрастали расходы, а так как проект окружала тайна, то нельзя было обращаться с просьбой о совместном финансировании в RLM, все финансирование осуществлялось за счет собственных средств фирмы Хейнкеля. Совершенно другим становился и срок реализации. Срок постройки макета – май 1936 года был уже просрочен. В этот момент необходимо было принять решение – продолжать ли работы или совсем их прекратить. Прекращение работ было бы менее рискованным решением, да и средства уже потраченные на проект R 1035 на том этапе были еще не слишком велики. В случае продолжения программы существовала вероятность, полной катастрофы, которая случае если бы оказалось, что новый истребитель не оправдал ожиданий, потянула бы за собой, значительные финансовые проблемы и могла бы поколебать стабильное до этого финансовое положение фирмы (несмотря на не слишком хорошие прогнозы о продажах «Не-112»), Однако с другой стороны, если бы Р. 1035 оказался удачным самолетом, существовала возможность получения крупных заказов и победы в конкурсе на возможного преемника Bf- 109. Так как Эрнст Хейнкель был по натуре игроком, нетрудно догадаться, что он выбрал последнее решение. Собственно в таком выборе его убедили инженеры – уже упоминавшийся ранее Хертел, оба Гюнтера, а также Отто Бюттер и Фридрих Шерер. В соответствии с их заверениями конструкция Р. 1035. замысел которой уже созрел, должна была быть не только «сенсационной», но еще и «революционной». Именно в этом самолете впервые должны были использоваться некоторые новаторские технические и технологические решения. Решение о продолжении работ было принято, и с начала 1937 года проектирование пошло полным ходом. Основополагающее положение было простым – самолет должен был быть очень быстрым. Его максимальная скорость должна была составлять не менее 650 км/час. Как широко известно, Эрнст Хейнкель был большим поклонником высоких скоростей. Кроме того, им руководило желание доказать, что победивший в конкурсе Bf-109 не является чем-то особенным.

Пропагандистская фотография «боевого» He-100 D-I, сделанная на аэродроме Росток-Мариенех на берегу реки Варнов, весной 1940 года.

Пропагандистская фотографии «боевого» He-100 D-I, сделанная на аэродроме Росток-Мариенех на берегу реки Парнов, весной 1940 года.

Новый самолет Хейнкеля должен был быть значительно лучше, чем «мессер», в том числе и в технологическом плане. Это последнее положение было тем уроком, которое инженеры Хейнкель и Хертель извлекли из поражения (к этому времени оно стало уже свершившимся фактом) своего Не-112. Самолет был попросту слишком сложным и развертывание его серийного производства, всякий раз натыкалось на препятствия и затруднения. Поэтому в новом проекте была поставлена задача – максимально упростить серийное производство и минимизировать количество узлов и деталей самолета. Соответственно Р. 1035 должен был стать самолетом небольших размеров, но зато с досконально проработанными аэродинамическими характеристиками. Шасси, несомненно, должно было быть убирающимся, но в отличие от Bf-109 и Не-112, во внутреннюю часть крыльев. Чтобы снизить аэродинамическое сопротивление, было решено отказаться от традиционного подфюзеляжного радиатора охлаждения и заменить его совершенно иной, до этого не использовавшейся в авиации системой.

Пропагандистская фотография нескольких Не-100D-I, сделанная на аэродроме Росток-Мариенех, весной 1940 года.

Пропагандистская фотография «боевого» Не-100D-1 «белая 12», сделанная в полете, весной 1940 года.

Постройка первого прототипа началась в конце апреля – начале мая 1937 года. Однако уже месяц спустя группа конструкторов, работающая над Р 1035 понесла потерю – 25 мая в автокатастрофе погиб Вальтер Гюнтер, который являлся шефом группы. Его место занял брат – Зигфрид. Смерть главного инженера, отвечающего за ход работ, почти на месяц задержала работы по постройке самолета. Однако эта задержка была некритичной и существенно не повлияла на реализацию прототипа.

Два пилота-испытателя фирмы Hienkel. Слева – Герхард Ничке, справа- Ганс Дитерли (позируют у хвоста бомбардировщика Не 111 H).

Фотография прототипа Не-100VI, сделанная на аэродроме Росток-Мариенех, на берегу реки Варнов, в 1938 году.

Р. 1035 с самого начала проектировался как самолет, который должен был достигать больших скоростей. В связи с этим было очевидно, что он не может оснащаться тем же двигателем Jumo270 (который устанавливался на Не-112) или его имеющимися на сегодняшний день модификациями. Данный двигатель развивал слишком небольшую мощность по сравнению со своими размерами и массой. Итак, было решено использовать недоступный до того для Хейнкеля двенадцатицилиндровый двигатель DB 601 А. Передняя часть фюзеляжа и капоты проектировались с учетом использования именно этого двигателя. При этом аэродинамика была проработана лучше, чем в прототипе BI-109E (здесь идет речь о прототипе Bf-109 V13, хотя и последующие – V14 и V15 практически от него не отличались и по внешнему виду были очень близки к серийному «Эмилю» – Bf-109 Е). Очень обтекаемые очертания при довольно мощном двигателе могли дать необычайные результаты.

Очень интересным аспектом работ над новым истребителем был тот факт, что практически с самого начала проектировалось два его варианта. Различались они между собой крыльями, которые проектировались двух, различающихся размерами типов – короткие и более длинные. До конца неизвестно чем это было обусловлено, но наиболее вероятно, что этот замысел шел от самого главы фирмы – Эрнста Хейнкеля. Первый вариант, имевший рабочее название «базовый» предусматривал размах крыла 9400 мм (несущая поверхность 14,40 м^2). Это должен был быть стандартный размер для будущей серийной версии. Второй вариант был существенно короче – всего 7600 мм (несущая поверхность 11 м^2). Нетрудно предположить, что короткие крылья должны были послужить для достижения еще более высоких, чем первоначально было заложено в проекте, скоростей. Вытекало это и из того, что уже во время начальных работ над Р. 1035 Хейнкель задумал побить рекорд скорости. Идея двух различных крыльев, и как следствие двух вариантов всего самолета не нравилась главному инженеру – Гюнтеру, но он ничего не мог поделать с энтузиазмом своего начальника, который был, одержим манией скорости. Кроме того, по всей вероятности Хейнкель хотел опередить своего конкурента – Мессершмитта, показав ему, что именно самолет из Мариенеха является лучшим и самым быстрым. Как бы то ни было двухвариантное крыло, только задерживало достижение цели и вызвало значительное замешательство в связи с представлением в RLM сразу двух вариантов самолета. В конце концов, было решено (исходя из вполне разумных соображений), что значительно важнее серийный истребитель, чем действительно очень престижная и дающая хорошую рекламу, но построенная в единичных экземплярах суперскоростная рекордная машина.

Схема самолета Heinkel Не-100VI, сделанная на основании оригинальных заводских чертежей.

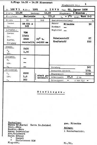
Копия рапорта по облету прототипа Не-100VI и рапорт о втором полете Не-100VI.

Фотография первого прототипа Не-100VI, сделанная на аэродроме Росток-Мариенех, на берегу реки Варнов, в 1938 году.

Несмотря на эти разногласия, внутри конструкторской группы, работы шли полным ходом, и уже к концу 1937 года первый прототип истребителя обрел реальные черты. Планировалось, что его облет состоится не позднее чем в первый месяц следующего года. Р. 1035, получил нетипичную систему охлаждения (поверхностно-испарительную) -совершенно иную, чем на современных ему истребителях. Впервые такую методику Хейнкель применил на своем Не-119, однако это был самолет гораздо больших размеров и там такая система полностью экзамен не выдержала (кроме поверхностного охлаждения дополнительно пришлось использовать традиционный радиатор, размещенный под фюзеляжем, вообще этот самолет не принадлежал к числу очень удачных и после постройки четырех прототипов дальнейшие работы над ним были прекращены). Однако предполагалось, что на новом истребителе она будет работать без замечаний. Здесь была применена разработанная Вальтером Гюнтером система поверхностной конденсации, состоявшая из размещенных в крыльях системы трубок (из алюминия) и насосов, образующих замкнутую систему охлаждения. Согласно данным книги Вильяма Грина «The Annals of the He 100», охлаждающая жидкость состояла исключительно из масла и метилового спирта, Ганс Петер Дамбровский считает, что, использовалась вода с додавлением метилового спирта и очень небольшого количества масла. В соответствие с советскими данными по испытаниям Не 100 V6 хладагентом являлась вода (61,5%), глицерин (35%) и небольшое количество метилового спирта (?) – (3,5%). Так как в системе охлаждения было повышенное давление, то охлаждающая жидкость кипела при температуре 110-130°С. После поступления хладагента из двигателя в крылья происходило ее резкое расширение, что приводило к ее переходу в парообразное состояние. В крыльях пар охлаждался и конденсировался. В рамках замкнутого цикла охлаждающая жидкость возвращалась назад в двигатель, после чего весь процесс повторялся снова. Работа системы оказалось возможным благодаря модификации, разработанной специально для этой цели инженерами, работающими в специальном исследовательском отделе фирмы Хейнкеля. (В состав этой группы входили инженеры Jahn, Jahnke, Moser, Kraft, Siebenlist. Шефом отдела являлся Dr. Matthaes). Они разместили в крыльях 22 маленьких вспомогательных насоса, задачей которых было возвращение сконденсировавшегося пара в двигатель. Каждой работающей помпе отвечала небольшая сигнальная лампочка на правой боковой панели в кабине. Когда одна из 22 лампочек гасла, это означало, что данная помпа перестала работать (произошла ее авария). Поверхностное охлаждение было, несомненно, совершенно новаторским решением, но как показало время не до конца доработанным. Но оно не было единственной новинкой в конструкции Р. 1035. Так же удивительным было то, что двигатель, в отличие от практически всех других самолетов не имел традиционной моторной рамы. Вместо нее использовалась рама, образованная несущими балками фюзеляжа, которые собственно и играли роль моторамы. Это позволило добиться значительно более совершенного с точки зрения аэродинамики силуэта самолета.

Книги из серии:

Война в воздухе

[5.0 рейтинг книги]
[5.0 рейтинг книги]
[5.0 рейтинг книги]
[5.0 рейтинг книги]
[5.0 рейтинг книги]
[5.0 рейтинг книги]
Комментарии:
Популярные книги

Надуй щеки! Том 2

Вишневский Сергей Викторович
2. Чеболь за партой
Фантастика:
попаданцы
дорама
фантастика: прочее
5.00
рейтинг книги
Надуй щеки! Том 2

Война

Валериев Игорь
7. Ермак
Фантастика:
боевая фантастика
альтернативная история
5.25
рейтинг книги
Война

Шайтан Иван 4

Тен Эдуард
4. Шайтан Иван
Фантастика:
попаданцы
альтернативная история
8.00
рейтинг книги
Шайтан Иван 4

Спасите меня, Кацураги-сан! Том 4

Аржанов Алексей
4. Токийский лекарь
Фантастика:
городское фэнтези
попаданцы
дорама
фэнтези
5.00
рейтинг книги
Спасите меня, Кацураги-сан! Том 4

Надуй щеки! Том 5

Вишневский Сергей Викторович
5. Чеболь за партой
Фантастика:
попаданцы
дорама
7.50
рейтинг книги
Надуй щеки! Том 5

Курсант: назад в СССР 2

Дамиров Рафаэль
2. Курсант
Фантастика:
попаданцы
альтернативная история
6.33
рейтинг книги
Курсант: назад в СССР 2

На границе империй. Том 10. Часть 8

INDIGO
Вселенная EVE Online
Фантастика:
боевая фантастика
космическая фантастика
попаданцы
5.00
рейтинг книги
На границе империй. Том 10. Часть 8

Неудержимый. Книга XXII

Боярский Андрей
22. Неудержимый
Фантастика:
попаданцы
фэнтези
5.00
рейтинг книги
Неудержимый. Книга XXII

Первый среди равных. Книга V

Бор Жорж
5. Первый среди Равных
Фантастика:
попаданцы
аниме
фэнтези
5.00
рейтинг книги
Первый среди равных. Книга V

Солнечный корт

Сакавич Нора
4. Все ради игры
Фантастика:
зарубежная фантастика
5.00
рейтинг книги
Солнечный корт

Ботаник 2

Щепетнов Евгений Владимирович
2. Ботаник
Фантастика:
фэнтези
боевая фантастика
6.00
рейтинг книги
Ботаник 2

Маяк надежды

Кас Маркус
5. Артефактор
Фантастика:
городское фэнтези
попаданцы
аниме
5.00
рейтинг книги
Маяк надежды

Бастард Императора. Том 16

Орлов Андрей Юрьевич
16. Бастард Императора
Фантастика:
аниме
фэнтези
фантастика: прочее
5.00
рейтинг книги
Бастард Императора. Том 16

Матабар V

Клеванский Кирилл Сергеевич
5. Матабар
Фантастика:
фэнтези
5.00
рейтинг книги
Матабар V