Гидропривод пресса

на главную

Жанры

Поделиться:
Шрифт:

10-Апр-2021 г…

Введение

Инженер конструктор отдела гл.механика Гаврилов Сергей Фёдорович написал эту книгу для конструкторов и студентов механиков. Данная книга приводит подробное описание гидропривода пресса с усилием 1500 тонн, содержит эскизы узлов и деталей гидропривода близкие к рабочим чертежам, некоторые расчеты гидропривода. Данный гидропривод автор спроектировал полностью сам. Приведены ссылки по которым можно скачать рабочие чертежи гидропривода и добавочную информацию, не вошедшую в книгу.

Описанный гидропривод интересен тем, что может быть применен практически на любом гидропрессе без изменения чертежей основных деталей. Как автор разработки, я не возражаю против заимствования и копирования. Гидропривод запущен в работу в 1994 году, работает в три смены по семь дней в неделю и показал себя весьма надежным в работе и успешно работает по сей день. Наиболее сложное – это разработка силовой гидроплиты и клапана № 5.. Чертежи гидроплиты и клапана приведены полностью с подробными пояснениями. Гидропривод, в отличие от механического привода, более универсален и легко может быть установлен на разные типы прессов. Пользуясь данной книгой, конструктор может быстро разработать гидропривод подобного пресса. Использование, проверенных длительной эксплуатацией, конструкторских решений позволит избежать явных и скрытых ошибок. Тем более, что некоторые ошибки выявляются после года и более работы пресса.

Приведен обширный перечень литературы по затронутым в книге вопросам.

История разработки:

Пресс П6242 Новосибирского завода " Тяж СтанкоГидропресс " им. А.И. Ефремова выпущен 1968 г.

Пресс П 6242 был оборудован реверсивным насосом с регулируемой производительностью модели 2НРСШ 250А/20 с характеристиками Q = 250 куб. см. / оборот ( 200 литров в мин.). Для насоса рекомендуется эл.привод 91 квт 900 об/мин. объемный КПД 80 % . Реально на привод был поставлен эл.мотор меньшей мощности так как под полным давлением насос работал лишь часть цикла и короткое время за которое эл.мотор не успевал нагреться, запаса по крутящему моменту тоже было достаточно.

Насос управлялся пристроенным реверсивным эл.приводом, который через редуктор поворачивал рукоять ручного управления насоса в ту или иную сторону от нейтрали, регулируя как производительность так и направление подачи масла. Это обеспечивало простоту гидравлической схемы и схемы эл.управления.

К 1993 г. у меня был уже большой опыт по модернизации гидроприводов станков и прессов, правда, меньшей мощности. Главный механик мои возможности знал.

В 1993 г. насос 2НРСШ 250А/20 пресса П6242 окончательно вышел из строя по предельному износу. Промышленность таких насосов уже с 1975 г. не выпускала. Встал вопрос о срочной замене, так как технологическая цепочка, завязанная на пресс, встала. Прямых аналогов насоса не нашлось. Мне дали задание подобрать насос и срочно спроектировать гидропривод с новым насосом.

Из прошлого опыта, я знал, что пытаться набрать группу конструкторов для срочной и ответственной работы – напрасная потеря времени, поэтому от помощников отказался – всю ответственность взял на себя, всю разработку и деталировку делал сам.

,,,,,,,

Пресс П6242 Новосибирского завода " Тяж СтанкоГидропресс "

им. А.И. Ефремова выпущен 1968 г.

Пресс выполнен по дифференциальной схеме рабочих цилиндров. Пресс имеет заглубленную, относительно уровня пола, нижнюю траверсу. На нижней траверсе закреплены два одинаковых ретурных цилиндра, на верхней траверсе два одинаковых плунжера ретурных цилиндров. На нижней траверсе закреплены два рабочих плунжера. Нижний диаметр рабочего плунжера равен 550 мм – Верхний диаметр плунжера в виде бочки равен 940 мм. Бочка закреплена гайкой на плунжере Ф 550 мм.

Два дифференциальных цилиндра, скользящие по неподвижным плунжерам, объединены в подвижную верхнюю траверсу пресса. Траверса выполнена сварной, пустотелой, из толстого 60 мм. листа.

Внутренняя полость траверсы служит гидробаком гидропривода пресса.

Во время работы пресса уровень масла в гидробаках значительно меняется вследствие сбрасывания масла в гидробак из рабочих цилиндров при подъеме траверсы и засасывания масла в рабочие цилиндры при опускании траверсы. Скорость изменения объема масла при опускании траверсы равна 137 литров в секунду. На такой расход следует рассчитывать воздушный фильтр и сапун гидробака. К примеру подойдет воздушный фильтр от машины Камаз-5320 с 10 литровым двигателем мод. 740. С потреблением воздуха 430 литр/сек. Выхлопной воздушный клапан не сложно выполнить самим.

Разность площадей одного цилиндра = 4563,95 кв.см. двух цилиндров = 9127,9 кв.см.

При давлении 170 кгс / кв.см пресс обеспечивает усилие 1500 тонн.

На верхней плоскости траверсы размещен гидропривод пресса с гидроаппаратурой

управления. Вес траверсы в сборе с маслом примерно 51 тонну. Подъем траверсы вверх производится двумя ретурными цилиндрами со штоками диаметром по 150 мм. закрепленными на траверсе.

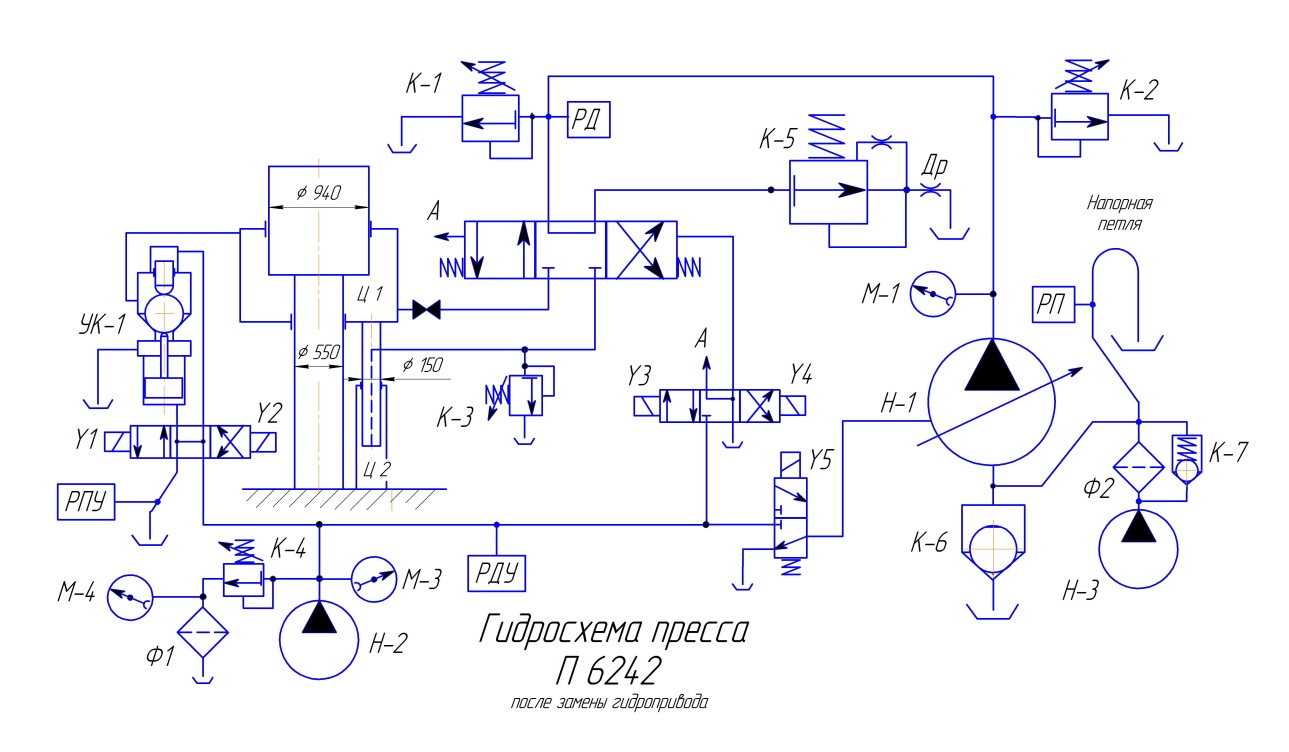
Гидропривод пресса при срочном ремонте разработал Гаврилов С.Ф. в 1994 г.

Необходимость в разработке гидропривода возникла в результате очень значительной потери производительности и давления фирменного гидронасоса, и сильном износе гидрораспределительной аппаратуры. Насос, примененный в фирменной гидросхеме, давно сняли с производства и на складах их не оказалось. Гидрораспределители были эксклюзивные, их было решено заменить на покупные, стандартные.

Насос подобранный на замену вышедшему из строя не был аналогичным заменяемому ни по конструкции, ни по функциональности. Это обусловило разработку полностью новой гидравлической схемы.

Ниже показана разработанная автором и утвержденная руководством гидросхема.

По этой гидросхеме выполнялась модернизация гидропривода пресса.

Ниже приведена гидросхема выполненная позднее в современном стиле.

В новой редакции удален обжим № 2 – практика показала, что он лишний и добавлена линия постоянной фильтрации масла и заполнения линии всасывания насоса Н-1.

На гидросхеме условно показаны только по одному гидроцилиндру.

,,,

,,,,

Порядок работы гидроэлементов пресса.

Описание работы гидросхемы пресса.

Нейтраль – нейтральное положение рукоятки контроллера управления траверсой пресса.

Силовой поток масла обеспечивает плунжерный насос марки 50 НРР 250 СК производства Харьковского завода " Гидропривод " версия 1987 г. Насос Н-1 с дистанционно регулируемой подачей.

Производительностью, с максимальной подачей 200 литров / мин.,

Книги из серии:

Без серии

[5.0 рейтинг книги]
[5.0 рейтинг книги]
[5.0 рейтинг книги]
[5.0 рейтинг книги]
[5.0 рейтинг книги]
[5.0 рейтинг книги]
[5.0 рейтинг книги]
[5.0 рейтинг книги]
Комментарии:
Популярные книги

Запечатанный во тьме. Том 1. Тысячи лет кача

NikL
1. Хроники Арнея
Фантастика:
уся
эпическая фантастика
фэнтези
5.00
рейтинг книги
Запечатанный во тьме. Том 1. Тысячи лет кача

Глэрд VIII: Базис 2

Владимиров Денис
8. Глэрд
Фантастика:
фэнтези
боевая фантастика
попаданцы
5.00
рейтинг книги
Глэрд VIII: Базис 2

Афганский рубеж 3

Дорин Михаил
3. Рубеж
Фантастика:
попаданцы
альтернативная история
6.00
рейтинг книги
Афганский рубеж 3

Маленькая женщина Большого

Зайцева Мария
5. Наша
Любовные романы:
эро литература
современные любовные романы
5.00
рейтинг книги
Маленькая женщина Большого

Воронцов. Перезагрузка. Книга 5

Тарасов Ник
5. Воронцов. Перезагрузка
Фантастика:
попаданцы
альтернативная история
фэнтези
фантастика: прочее
6.00
рейтинг книги
Воронцов. Перезагрузка. Книга 5

Кодекс Охотника. Книга ХХ

Винокуров Юрий
20. Кодекс Охотника
Фантастика:
попаданцы
альтернативная история
аниме
5.00
рейтинг книги
Кодекс Охотника. Книга ХХ

Камень Книга двенадцатая

Минин Станислав
12. Камень
Фантастика:
боевая фантастика
городское фэнтези
аниме
фэнтези
5.00
рейтинг книги
Камень Книга двенадцатая

Клан

Русич Антон
2. Долгий путь домой
Фантастика:
боевая фантастика
космическая фантастика
5.60
рейтинг книги
Клан

Бояръ-Аниме. Газлайтер. Том 30

Володин Григорий Григорьевич
30. История Телепата
Фантастика:
альтернативная история
аниме
фэнтези
5.00
рейтинг книги
Бояръ-Аниме. Газлайтер. Том 30

Сирийский рубеж

Дорин Михаил
5. Рубеж
Фантастика:
попаданцы
альтернативная история
5.00
рейтинг книги
Сирийский рубеж

Кодекс Охотника. Книга XXV

Винокуров Юрий
25. Кодекс Охотника
Фантастика:
фэнтези
попаданцы
аниме
6.25
рейтинг книги
Кодекс Охотника. Книга XXV

Кодекс Охотника. Книга XXI

Винокуров Юрий
21. Кодекс Охотника
Фантастика:
фэнтези
попаданцы
аниме
5.00
рейтинг книги
Кодекс Охотника. Книга XXI

Здравствуй, 1985-й

Иванов Дмитрий
2. Девяностые
Фантастика:
альтернативная история
5.25
рейтинг книги
Здравствуй, 1985-й

Приказано выжить!

Малыгин Владимир
1. Другая Русь
Фантастика:
боевая фантастика
попаданцы
альтернативная история
7.09
рейтинг книги
Приказано выжить!