Чтение онлайн

на главную - закладки

Жанры

Электроника?.. Нет ничего проще!
Шрифт:
Деление на четное число

Н. — Согласен, спасибо за твои объяснения, но у меня появился один вопрос. Когда ты говорил о числе 13, ты заметил, что еще большее беспокойство вызвало бы у тебя деление на 15 или 17. Почему ты назвал только нечетные числа?

Л. — Очень хорошо, что ты обратил внимание на это обстоятельство. Для деления на четные числа существует очень хитрое устройство, обладающее лучшей стабильностью. Посмотри на схему, которую я начертил для тебя на рис. 81. Я не нарисовал остальную часть мультивибратора; скажу только, что он выполнен очень тщательно для достижения максимальной симметрии, т. е. чтобы в отсутствие синхронизирующих импульсов оба транзистора в каждый период оставались запертыми строго одинаковое время, и мультивибратор вырабатывал очень симметричные сигналы. Для достижения такой цели стараются сделать в пределах возможного одинаковыми по величине резисторы R3 и R4 (см. рис. 78) и конденсаторы С1 и С2. Величины R1 и R2 имеют меньшее значение.

Рис. 81. Включение в схему двух диодов позволяет симметрично подавать сигналы на вход мультивибратора, чтобы синхронизировать каждое опрокидывание схемы и делить подаваемую частоту на четное число.

Н. — Я предполагаю, что ты постараешься также подобрать транзисторы с возможно одинаковыми параметрами.

Л. — Это, конечно, не повредит, но и пользы особой не принесет, так как наши транзисторы при переходе от запертого состояния к состоянию насыщения работают как прерыватели.

Предположим, что наш мультивибратор имеет тенденцию работать на частоте примерно 90 гц. Подадим ему в точку А отрицательные импульсы с частотой 400 гц. Они одновременно подаются в катоды диодов Д1 и Д2. Пропустить импульс может только тот диод, чей анод соединен с запертым транзистором. Предположим, что один из этих импульсов опрокинул мультивибратор, заперев транзистор Т1, и приведя в состояние насыщения транзистор Т2. Следующий импульс может дойти до коллектора транзистора Т1, потому что его потенциал равен . Но этот импульс приходит через 1/400 сек после срабатывания мультивибратора, т. е. задолго до момента его очередного самопроизвольного опрокидывания, и если посланный импульс имеет правильно выбранную амплитуду, его окажется недостаточно для переброса схемы. Следующий импульс поступает через 1/200 сек после опрокидывания, т. е. незадолго до момента, когда мультивибратор опрокинулся бы самопроизвольно (напомню, что наш мультивибратор симметричный и каждое самопроизвольное опрокидывание происходит точно через 1/180 сек после предыдущего). Следовательно, этот второй импульс вызовет срабатывание мультивибратора; в результате транзистор Т1 перейдет в состояние насыщения, а транзистор Т2 будет заперт. Теперь передавать импульсы будет диод Д2. Рассмотренная нами картина начнет повторяться; первый импульс не пройдет, вернее его воздействие не будет иметь последствий, и только следующий после него импульс вызовет новое опрокидывание схемы.

Н. — Но этого не может быть, твой мультивибратор запускается каждым вторым импульсом, т. е. он должен работать с частотой 200 гц.

Л. — Не забыл ли ты, дорогой Незнайкин, что полный период работы мультивибратора соответствует двум опрокидываниям. Имеется своего рода опрокидывание «туда» и опрокидывание «обратно». Иначе говоря, вполне нормально, что наш мультивибратор опрокидывается 200 раз в 1 сек, а его истинная частота равна 100 гц.

Н. — Еще раз я не подумал, как следует! Ты в самом деле прав. Но это чрезвычайно симпатично. Хотя частота делится на 4, мультивибратор запускается каждым вторым поступающим на вход импульсом, что несомненно повышает стабильность его работы.

Л. — Разумеется, именно поэтому я только что сказал тебе о трудности делить на 13 и тем более на 15 или на 17… А вот разделить на 14 было бы значительно легче, чем на 13.

Деление на 2

Н. — Вот о чем я сейчас подумал: если потребовалось бы разделить частоту на 2, работа была выполнена бы почти безукоризненно, так как мультивибратор срабатывал бы от каждого поступающего на вход импульса.

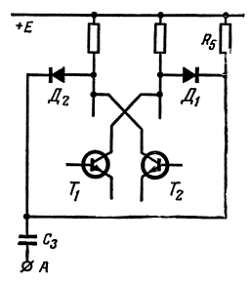
Л. — Ты совершенно прав, Незнайкин. Но сейчас я расскажу тебе о совершенно безупречном способе деления на 2, который никак не зависит от частоты. Я познакомлю тебя с новым устройством — с триггером с двумя устойчивыми состояниями, носящим еще название триггера Экклеса — Джордана. Вот тебе схема этого устройства (рис. 82).

Рис. 82. Схема триггера с двумя устойчивыми состояниями; диоды пропускают синхронизирующий импульс на тот из транзисторов, который находится в состоянии насыщения.

Н. — Ой, ой! Какая она сложная!

Л. — Может быть и сложная, но разобраться в ней совсем нетрудно. Здесь ты увидишь некоторую аналогию с мультивибратором (см. рис. 78). Когда один из транзисторов пропускает ток, он напряжением своего коллектора воздействует на базу другого транзистора. В отличие от мультивибратора здесь мы имеем прямую связь между каждым коллектором и базой противоположного транзистора. Так, например, если ток пропускает транзистор Т1 (если возможно в состоянии насыщения), потенциал его коллектора очень низкий. С помощью делителя напряжения R3 — R4 он придает потенциалу базы Т2 небольшую отрицательную величину, что надежно запирает транзистор Т2. Но когда запертым оказывается транзистор Т1, потенциал его коллектора близок к и делитель из резисторов R3 — R4 будет стремиться создать на базе Т2 положительное напряжение. Как только база станет положительной, ток базы подрежет сверху напряжение, подводимое к ней через резисторы R3 и R4.

Н. — Уф, хотя я и очень внимательно следил за твоим рассказом, числовой пример принес бы мне немалую пользу.

Режимы работы триггера с двумя устойчивыми состояниями

Л. — Согласен, я полагаю, что ты будешь доволен, если посмотришь на рис. 82; там в скобках я указал напряжение питания , равное 12 в, напряжение смещения — Uc (в нашем случае — 6 в), а также номиналы резисторов. Предположим, что ток пропускает транзистор T1, находящийся в состоянии насыщения. Отсюда следует, что потенциал его коллектора упал почти до нуля, а ток коллектора близок к 4 ма, потому что питание на этот коллектор подается от источника с напряжением 12 в через резистор R1 с сопротивлением 3 ком. Два равные по сопротивлению резистора R3 и R4 создают на базе Т2 потенциал, близкий к —3 в, т. е. транзистор Т2 надежно заперт.

А теперь предположим, что заперт транзистор T1. Тогда потенциал его коллектора близок к +12 в, делитель из резисторов R3 — R4 стремится повысить потенциал базы транзистора Т2до +3 в. Само собой разумеется, что напряжение на этой базе достигнет лишь +0,3 в (обычное значение напряжения база — коллектор в нормально проводящем германиевом триоде). В этих условиях легко рассчитать, какой ток поступает на эту базу через резисторы R1 и R3 общим сопротивлением 23 ком; ток имеет величину: 12 в: 23 000 ом = 0,00052 а или 0,52 ма. В то же время через резистор R4 течет ток, равный 6 в: 20 000 ом = 0,0003 а или 0,3 ма. База же получает разность этих токов или 0,52 ма — 0,3 ма = 0,22 Если коэффициент усиления транзистора по току превышает 20, можно с уверенностью сказать, что мы довели транзистор до состояния насыщения, ибо максимальный ток его коллектора равен 4 ма.

Н. — Хорошо, теперь я действительно вижу, что когда один из транзисторов твоей схемы пропускает ток, он запирает другой и, наоборот, запертый транзистор приводит другой в состояние насыщения. Но как узнать, какой из транзисторов будет заперт и какой будет находиться в состоянии насыщения?

Л. — А на этот вопрос, дорогой Незнайкин, я не могу ответить с желаемой тобой определенностью. Возможно, что запертым будет транзистор Т1, а Т2 будет в состоянии насыщения, но одинаково возможен и случай, что в состоянии насыщения окажется Т1 а Т2 будет заперт.

Поделиться:
Популярные книги

Вечный. Книга I

Рокотов Алексей
1. Вечный
Фантастика:
боевая фантастика
попаданцы
рпг
5.00
рейтинг книги
Вечный. Книга I

Точка Бифуркации XIII

Смит Дейлор
13. ТБ
Фантастика:
аниме
фэнтези
5.00
рейтинг книги
Точка Бифуркации XIII

Убийца

Бубела Олег Николаевич
3. Совсем не герой
Фантастика:
фэнтези
попаданцы
9.26
рейтинг книги
Убийца

Бояръ-Аниме. Газлайтер. Том 35

Володин Григорий Григорьевич
35. История Телепата
Фантастика:
аниме
боевая фантастика
фэнтези
5.00
рейтинг книги
Бояръ-Аниме. Газлайтер. Том 35

Пустоши

Сай Ярослав
1. Медорфенов
Фантастика:
фэнтези
попаданцы
5.00
рейтинг книги
Пустоши

Двойник короля 19

Скабер Артемий
19. Двойник Короля
Фантастика:
аниме
фэнтези
попаданцы
5.00
рейтинг книги
Двойник короля 19

Старый, но крепкий 2

Крынов Макс
2. Культивация без насилия
Фантастика:
рпг
уся
эпическая фантастика
5.00
рейтинг книги
Старый, но крепкий 2

Камень. Книга восьмая

Минин Станислав
8. Камень
Фантастика:
фэнтези
боевая фантастика
7.00
рейтинг книги
Камень. Книга восьмая

#Бояръ-Аниме. Газлайтер. Том 37

Володин Григорий Григорьевич
37. История Телепата
Фантастика:
фэнтези
аниме
боевая фантастика
5.00
рейтинг книги
#Бояръ-Аниме. Газлайтер. Том 37

Зеркало силы

Кас Маркус
3. Артефактор
Фантастика:
городское фэнтези
попаданцы
аниме
5.00
рейтинг книги
Зеркало силы

Язычник

Мазин Александр Владимирович
5. Варяг
Приключения:
исторические приключения
8.91
рейтинг книги
Язычник

Наследие Маозари 2

Панежин Евгений
2. Наследие Маозари
Фантастика:
попаданцы
рпг
аниме
5.00
рейтинг книги
Наследие Маозари 2

Глава рода

Шелег Дмитрий Витальевич
5. Живой лёд
Фантастика:
боевая фантастика
6.55
рейтинг книги
Глава рода

Агенты ВКС

Вайс Александр
3. Фронтир
Фантастика:
боевая фантастика
космическая фантастика
5.00
рейтинг книги
Агенты ВКС